• Part: XC9702
  • Description: 60V 300mA Synchronous Step-Down DC/DC Converters
  • Manufacturer: Torex Semiconductor
  • Size: 2.36 MB
Download XC9702 Datasheet PDF
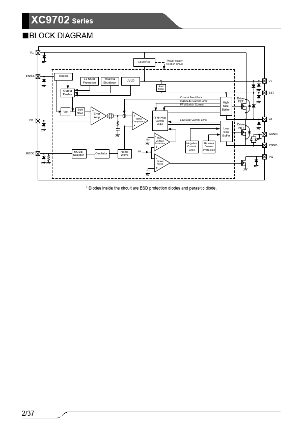
XC9702 page 2
Page 2
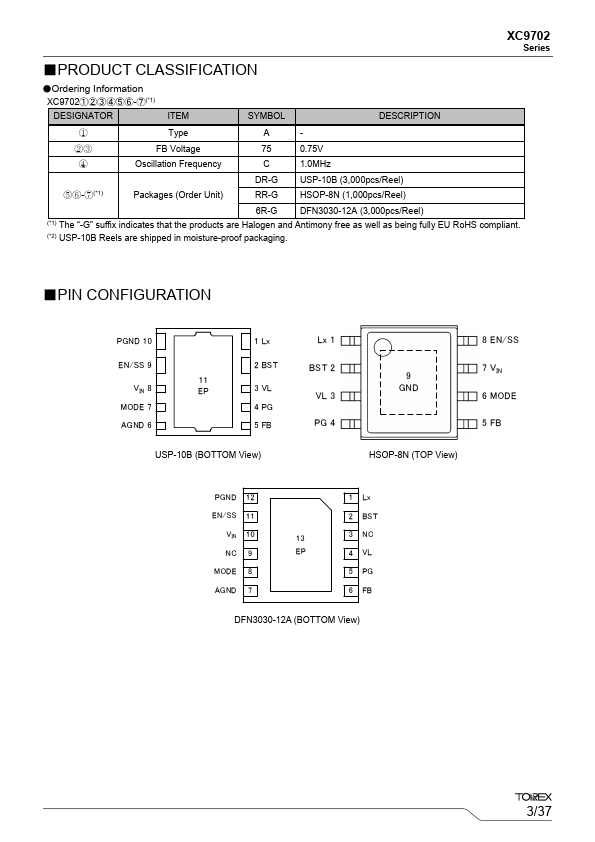
XC9702 page 3
Page 3

Datasheet Summary

XC9702 Series 60V 300mA Synchronous Step-Down DC/DC Converters ETR05081-003b - GENERAL DESCRIPTION The XC9702 series is 60V bootstrap synchronous step-down DC/DC converter with built-in Nch-Nch driver FETs. The XC9702 series has operating voltage range of 4.5V~60.0V, the output voltage can be set from 2.5V to 12.0V. It can support 300mA as an output current with high-efficiency and stable voltage. The switching frequency is 1.0MHz, and the operation mode can be selected between PWM control and PWM/PFM control with the MODE pin. When PWM control is operated, the frequency is constant regardless of the load, so noise countermeasures are easy. PWM/PFM control can achieve high...