• Part: XCL109
  • Description: 1.0A Inductor Built-in Step-up DC/DC Converters
  • Manufacturer: Torex Semiconductor
  • Size: 2.50 MB
Download XCL109 Datasheet PDF
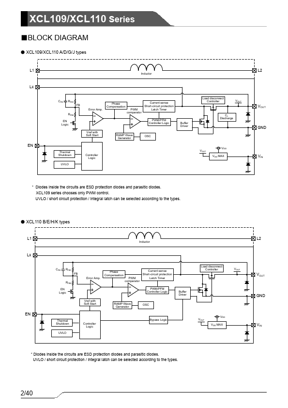
XCL109 page 2
Page 2
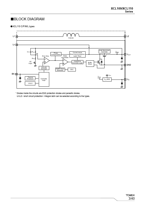
XCL109 page 3
Page 3

Datasheet Summary

XCL109/XCL110 Series ETR28033-002a 1.0A, Inductor Built-in Step-up DC/DC Converters ☆Green Operation patible - GENERAL DESCRIPTION XCL109/XCL110 series are synchronous step-up DC/DC converters which integrates an inductor with a 0.17Ω Nch driver FET and a 0.20Ω synchronous Pch switching FET built-in. The series can start operation from an input voltage of 0.9V, suitable for equipment using single Alkaline battery or Nickel metal hydride battery. The output voltage can be set from 1.8V to 5.5V in steps of 0.1V. During the devices enter stand-by mode, A/D/G/J types prevent the application malfunction by CL Discharge function which can quickly discharge the electric charge at the output...