• Part: XL1875A
  • Description: 30W 4A 60V High Voltage High Power Audio Power Amplifier
  • Manufacturer: XLSEMI
  • Size: 553.57 KB
Download XL1875A Datasheet PDF
XL1875A page 2
Page 2
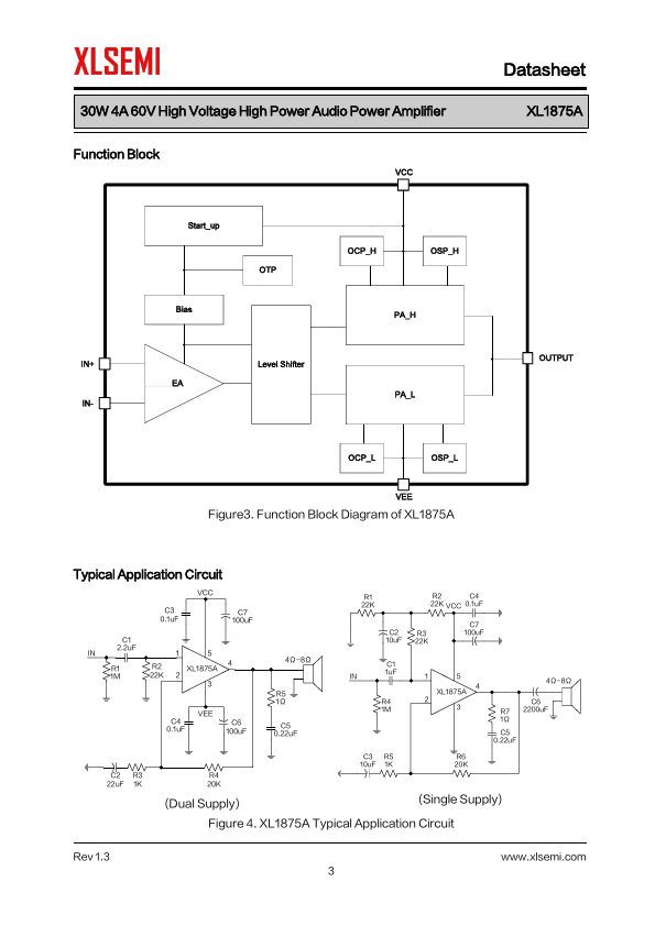
XL1875A page 3
Page 3

Datasheet Summary

30W 4A 60V High Voltage High Power Audio Power Amplifier Features - Operation Voltage:16V~60V - Max. Output current capability up to 4A - Max. Output power up to 30W - Built in output over power protection - Built in output short protection function - Built in output overvoltage protection - Built in current limit protection function - Built in thermal shutdown function - Low quiescent current:20mA - Low Distortion:0.015%,1KHz,20W - Open loop gain up to 90dB - 94dB Ripple Rejection - Available in TO220B-5L package Applications - Car Audio Amplifiers - Stage Sound - Multimedia Speakers - Open Mobile Sound System General Description XL1875A is a mono Class AB audio...