• Part: XL1875
  • Description: 30W 4A 50V High Voltage High Power Audio Power Amplifier
  • Manufacturer: XLSEMI
  • Size: 520.98 KB
Download XL1875 Datasheet PDF
XL1875 page 2
Page 2
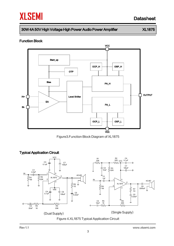
XL1875 page 3
Page 3

Datasheet Summary

30W 4A 50V High Voltage High Power Audio Power Amplifier Features - Operation Voltage: 8V~50V - Max. Output current capability up to 4A - Max. Output power up to 30W - Built in output over power protection - Built in output short protection function - Built in output overvoltage protection - Built in current limit protection function - Built in thermal shutdown function - Low quiescent current: 15mA - Low Distortion: 0.015%,1kHz,20W - Open loop gain up to 90dB - 94dB Ripple Rejection - Available in TO220B-5L package Applications - Car Audio Amplifiers - Stage Sound - Multimedia Speakers - Open Mobile Sound System General Description XL1875 is a mono Class AB audio...