• Part: DAP011B
  • Description: Low-Standby Power High Performance PWM Controller
  • Manufacturer: onsemi
  • Size: 219.15 KB
Download DAP011B Datasheet PDF
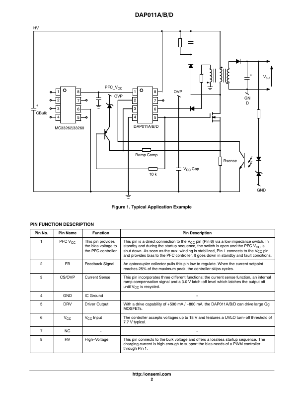
DAP011B page 2
Page 2
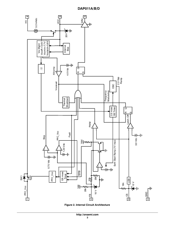
DAP011B page 3
Page 3

Datasheet Summary

DAP011A/B/D Low-Standby Power High Performance PWM Controller The DAP011A/B/D represents a major leap towards achieving low standby power in medium-to-high power Switched-Mode Power Supplies such as notebook adapters, off-line battery chargers and consumer electronics equipment. Housed in a pact 8-pin package (SOIC-8), the DAP011A/B/D contains all needed control functionality to build a rugged and efficient power supply. The DAP011A/B/D is a current mode controller with internal ramp pensation. Among the unique Features offered by the DAP011A/B/D is an event management scheme that can disable the front-end PFC circuit during standby, thus reducing the no load power consumption. The...