Datasheet4U Logo Datasheet4U.com

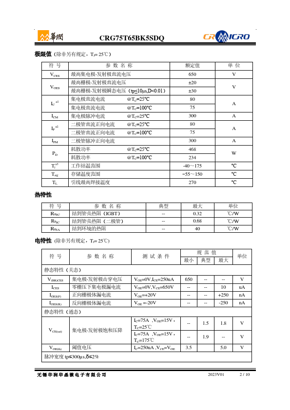
CRG75T65BK5SDQ IGBT

📥 Download Datasheet  Datasheet Preview Page 1

Description

CRG75T65BK5SDQ CRG75T65BK5SDQ FS IGBT , ,。 RoHS 。 * AEC-Q101 ; * FS , ; * :VCE(sat),TYP=1.5V @IC=75A,VGE=15V ; * ; * UPS.

📥 Download Datasheet

Preview of CRG75T65BK5SDQ PDF
datasheet Preview Page 2 datasheet Preview Page 3

Datasheet Specifications

Part number
CRG75T65BK5SDQ
Manufacturer
CR Micro
File Size
1.34 MB
Datasheet
CRG75T65BK5SDQ-CRMicro.pdf
Description
IGBT

CRG75T65BK5SDQ Distributors

📁 Related Datasheet

  • CRG01 - Rectifier (Toshiba Semiconductor)
  • CRG02 - Rectifier (Toshiba Semiconductor)
  • CRG0201 - Thick Film Chip Resistors (TE)
  • CRG04 - Rectifier Diode (Toshiba)
  • CRG0402 - Thick Film Chip Resistors (TE)
  • CRG04A - Rectifier Diode (Toshiba)

📌 All Tags

CR Micro CRG75T65BK5SDQ-like datasheet