Datasheet4U Logo Datasheet4U.com

MP3324 - 8-Channel 100mA/Ch LED Driver

📥 Download Datasheet

Preview of MP3324 PDF
datasheet Preview Page 2 datasheet Preview Page 3

Datasheet Details

Part number MP3324
Manufacturer MPS
File Size 652.77 KB
Description 8-Channel 100mA/Ch LED Driver
Datasheet download datasheet MP3324-MPS.pdf

MP3324 Product details

Description

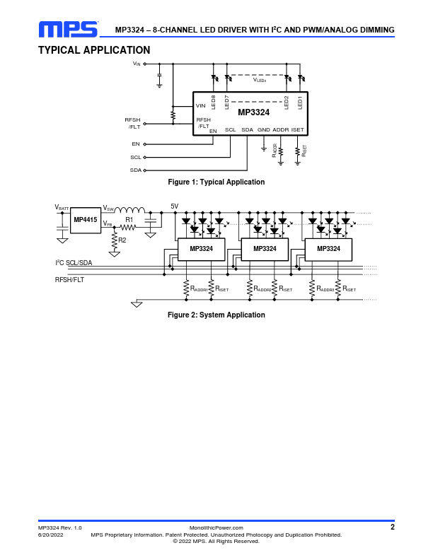
The MP3324 is an 8-channel white LED (WLED) driver that operates from a wide 4V to 16V input voltage (VIN) range.

Features

📁 MP3324 Similar Datasheet

  • MP330 - (MP312 / MP330) Power Film Resistors (Caddock)
  • MP30 - Power Rheostats (Vishay Siliconix)
  • MP3005 - Current and Voltage Controls Current Transformer (Carlo Gavazzi)
  • MP312 - (MP312 / MP330) Power Film Resistors (Caddock)
  • MP320A - Low Cost Quartz Crystal (CTS)
  • MP320A-E - Low Cost Quartz Crystal (CTS)
  • MP320B - Low Cost Quartz Crystal (CTS)
  • MP320B-E - Low Cost Quartz Crystal (CTS)
Other Datasheets by MPS
Published: |