Datasheet4U Logo Datasheet4U.com

R1161N - 3-MODE 300mA LDO REGULATOR

R1161N Description

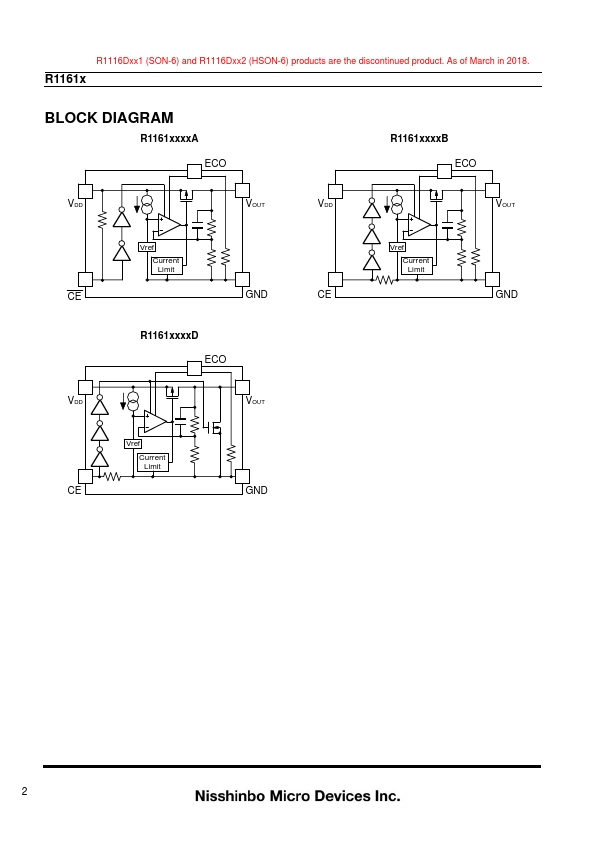
R1116Dxx1 (SON-6) and R1116Dxx2 (HSON-6) products are the discontinued product.As of March in 2018.R1161x SERIES 3-MODE 300mA LDO REGULATOR NO.EA-.
SOT-23-5 Pin No.

R1161N Features

* Supply Current Typ. 3.5μA (Low Power Mode, VOUT

R1161N Applications

* Precision Voltage References.
* Power source for electrical appliances such as cameras, VCRs and hand-held communication equipment.
* Power source for battery-powered equipment. 1 R1116Dxx1 (SON-6) and R1116Dxx2 (HSON-6) products are the discontinued product. As of March

📥 Download Datasheet

Preview of R1161N PDF
datasheet Preview Page 2 datasheet Preview Page 3

Datasheet Details

Part number
R1161N
Manufacturer
Nisshinbo
File Size
564.06 KB
Datasheet
R1161N-Nisshinbo.pdf
Description
3-MODE 300mA LDO REGULATOR

📁 Related Datasheet

  • R1161x - 3-MODE 300mA LDO REGULATOR (RICOH)
  • R1160N - SOT23-5 3-MODE 200mA LDO REGULATOR (RICOH electronics devices division)
  • R1160N081A - SOT23-5 3-MODE 200mA LDO REGULATOR (RICOH electronics devices division)
  • R1160N081A-TR - SOT23-5 3-MODE 200mA LDO REGULATOR (RICOH electronics devices division)
  • R1160N081B - SOT23-5 3-MODE 200mA LDO REGULATOR (RICOH electronics devices division)
  • R1160N081B-TR - SOT23-5 3-MODE 200mA LDO REGULATOR (RICOH electronics devices division)
  • R1160N101A - SOT23-5 3-MODE 200mA LDO REGULATOR (RICOH electronics devices division)
  • R1160N101A-TR - SOT23-5 3-MODE 200mA LDO REGULATOR (RICOH electronics devices division)

📌 All Tags

Nisshinbo R1161N-like datasheet