Datasheet4U Logo Datasheet4U.com

STEF12H60M 60A electronic fuse

📥 Download Datasheet  Datasheet Preview Page 1

Description

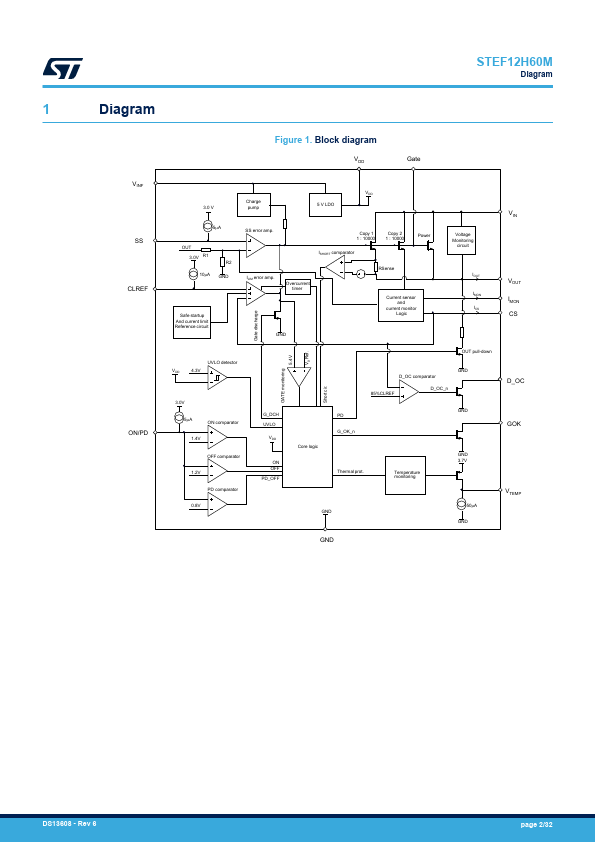
Maturity status link STEF12H60M STEF12H60M Datasheet 60 A electronic fuse for 12 V DC rail .
The STEF12H60M is a 60 A integrated electronic fuse optimized for monitoring the output current and the input voltage, over the 12 V DC power lines.

📥 Download Datasheet

Preview of STEF12H60M PDF
datasheet Preview Page 2 datasheet Preview Page 3

Features

* 60 A continuous current
* Input voltage range from 5 to 18 V
* Adjustable current limit
* Input undervoltage lockout
* Integrated 0.85 mΩ Power MOSFET
* Enable/Disable pin
* Programmable turn-on time
* Accurate current monitor signal

Applications

* Server main eFuse
* Hot-swap boards

STEF12H60M Distributors

📁 Related Datasheet

  • STE03S03F - STE Series - 1W Single Output Surface Mount DC-DC Converter (Superworld Electronics)
  • STE03S05F - STE Series - 1W Single Output Surface Mount DC-DC Converter (Superworld Electronics)
  • STE03S09F - STE Series - 1W Single Output Surface Mount DC-DC Converter (Superworld Electronics)
  • STE03S12F - STE Series - 1W Single Output Surface Mount DC-DC Converter (Superworld Electronics)
  • STE03S15F - STE Series - 1W Single Output Surface Mount DC-DC Converter (Superworld Electronics)
  • STE0511 - Single-line ESD Protection Array (Stanson)

📌 All Tags

STMicroelectronics STEF12H60M-like datasheet