Datasheet4U Logo Datasheet4U.com

VA2205 - 3W Filterless Stereo Class D Audio Amplifier

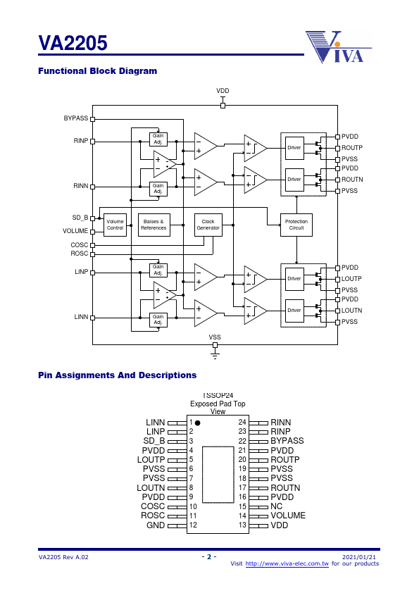
The VA2205 by Viva Electronics is a 3W Filterless Stereo Class D Audio Amplifier. Below is the official datasheet preview.

📥 Download Datasheet

Official preview page of the VA2205 3W Filterless Stereo Class D Audio Amplifier datasheet (Viva Electronics).

Datasheet Details

Part number VA2205
Manufacturer Viva Electronics
File Size 899.02 KB
Description 3W Filterless Stereo Class D Audio Amplifier
Datasheet download datasheet VA2205-VivaElectronics.pdf
Additional preview pages of the VA2205 datasheet.

VA2205 Product details

Features

Other Datasheets by Viva Electronics
Published: |