Datasheet4U Logo Datasheet4U.com

VA2221L - Low EMI 15W Stereo Class D Audio Amplifier

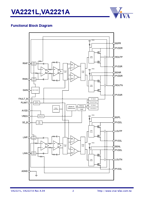
The VA2221L by Viva Electronics is a Low EMI 15W Stereo Class D Audio Amplifier. Below is the official datasheet preview.

📥 Download Datasheet

Official preview page of the VA2221L Low EMI 15W Stereo Class D Audio Amplifier datasheet (Viva Electronics).

Datasheet Details

Part number VA2221L
Manufacturer Viva Electronics
File Size 1.05 MB
Description Low EMI 15W Stereo Class D Audio Amplifier
Datasheet download datasheet VA2221L-VivaElectronics.pdf
Additional preview pages of the VA2221L datasheet.

VA2221L Product details

Features

Other Datasheets by Viva Electronics
Published: |