Datasheet4U Logo Datasheet4U.com

VA2207 - 5W Filterless Stereo Class D Audio Amplifier

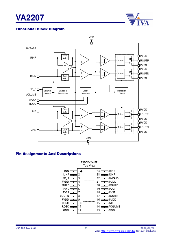
The VA2207 by Viva Electronics is a 5W Filterless Stereo Class D Audio Amplifier. Below is the official datasheet preview.

📥 Download Datasheet

Official preview page of the VA2207 5W Filterless Stereo Class D Audio Amplifier datasheet (Viva Electronics).

Datasheet Details

Part number VA2207
Manufacturer Viva Electronics
File Size 1.10 MB
Description 5W Filterless Stereo Class D Audio Amplifier
Datasheet download datasheet VA2207-VivaElectronics.pdf
Additional preview pages of the VA2207 datasheet.

VA2207 Product details

Features

Other Datasheets by Viva Electronics
Published: |