Datasheet4U Logo Datasheet4U.com

VA2246 - Low EMI Stereo Class D Audio Amplifier

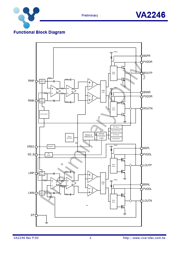
The VA2246 by Viva Electronics is a Low EMI Stereo Class D Audio Amplifier. Below is the official datasheet preview.

📥 Download Datasheet

Official preview page of the VA2246 Low EMI Stereo Class D Audio Amplifier datasheet (Viva Electronics).

Datasheet Details

Part number VA2246
Manufacturer Viva Electronics
File Size 838.23 KB
Description Low EMI Stereo Class D Audio Amplifier
Datasheet download datasheet VA2246-VivaElectronics.pdf
Additional preview pages of the VA2246 datasheet.

VA2246 Product details

Features

Other Datasheets by Viva Electronics
Published: |