Datasheet4U Logo Datasheet4U.com

HDSP-333E - General-Purpose Seven-Segment Display

Download the HDSP-333E datasheet PDF. This datasheet also covers the HDSP-332E variant, as both devices belong to the same general-purpose seven-segment display family and are provided as variant models within a single manufacturer datasheet.

General Description

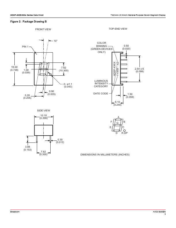
The Broadcom® HDSP-332E/333x Series 7.62-mm (0.3-inch) LED seven-segment display uses an industrystandard size package and pinout.

The device is available in either common anode or common cathode.

The choice of colors includes red, green, and deep red.

Key Features

  • Industry-standard size.
  • Industry-standard pinout.
  • 7.62-mm (0.3-inch) character height.
  • DIP lead on 2.54 mm.
  • Choice of colors.
  • Red, green, deep red.
  • Excellent appearance.
  • Optimum contrast achieved on gray surface upon light-up.
  • ±50° viewing angle.
  • Design flexibility.
  • Common anode or common cathode.
  • Single digit.
  • Left-hand and right-hand decimal point.
  • Categorized for luminous intensity.

📥 Download Datasheet

Note: The manufacturer provides a single datasheet file (HDSP-332E-Broadcom.pdf) that lists specifications for multiple related part numbers.

Datasheet Details

Part number HDSP-333E
Manufacturer Broadcom
File Size 774.07 KB
Description General-Purpose Seven-Segment Display
Datasheet download datasheet HDSP-333E Datasheet

Full PDF Text Transcription (Reference)

The following content is an automatically extracted verbatim text from the original manufacturer datasheet and is provided for reference purposes only.

View original datasheet text
HDSP-332E/333x Series 7.62-mm (0.3-inch) General-Purpose Seven-Segment Display Data Sheet Description The Broadcom® HDSP-332E/333x Series 7.62-mm (0.3-inch) LED seven-segment display uses an industrystandard size package and pinout. The device is available in either common anode or common cathode. The choice of colors includes red, green, and deep red. The gray face displays are suitable for indoor use. Features  Industry-standard size  Industry-standard pinout – 7.62-mm (0.3-inch) character height – DIP lead on 2.