Datasheet4U Logo Datasheet4U.com
ESMT (Elite Semiconductor Microelectronics Technology) logo

M12L2561616A-6BIAG2T

Manufacturer: ESMT (Elite Semiconductor Microelectronics Technology)

M12L2561616A-6BIAG2T datasheet by ESMT (Elite Semiconductor Microelectronics Technology).

This datasheet includes multiple variants, all published together in a single manufacturer document.

M12L2561616A-6BIAG2T datasheet preview

M12L2561616A-6BIAG2T Datasheet Details

Part number M12L2561616A-6BIAG2T
Datasheet M12L2561616A-6BIAG2T M12L2561616A-5TIAG2T Datasheet (PDF)
File Size 1.44 MB
Manufacturer ESMT (Elite Semiconductor Microelectronics Technology)
Description 4M x 16 Bit x 4 Banks Synchronous DRAM
M12L2561616A-6BIAG2T page 2 M12L2561616A-6BIAG2T page 3

M12L2561616A-6BIAG2T Overview

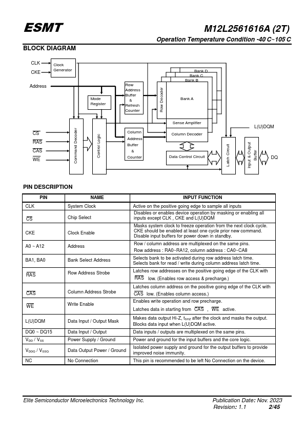
The M12L2561616A is 268,435,456 bits synchronous high data rate Dynamic RAM organized as 4 x 4,194,304 words by 16 bits. Synchronous design allows precise cycle control with the use of system clock I/O transactions are possible on every clock cycle. Range of operating frequencies, programmable burst length and programmable latencies allow the same device to be useful for a variety of high bandwidth, high performance...

M12L2561616A-6BIAG2T Key Features

  • JEDEC standard 3.3V power supply
  • LVTTL patible with multiplexed address
  • Four banks operation
  • MRS cycle with address key programs
  • CAS Latency ( 2 & 3 )
  • Burst Length ( 1, 2, 4, 8 & full page )
  • Burst Type ( Sequential & Interleave )
  • All inputs are sampled at the positive going edge of the system clock
  • Burst Read single write operation
  • DQM for masking
ESMT (Elite Semiconductor Microelectronics Technology) logo - Manufacturer

More Datasheets from ESMT (Elite Semiconductor Microelectronics Technology)

View all ESMT (Elite Semiconductor Microelectronics Technology) datasheets

Part Number Description
M12L2561616A-6BIG2T 4M x 16 Bit x 4 Banks Synchronous DRAM
M12L2561616A-6BG2S Synchronous DRAM
M12L2561616A-6BG2T 4M x 16 Bit x 4 Banks Synchronous DRAM
M12L2561616A-6BG2T 4M x 16 Bit x 4 Banks Synchronous DRAM
M12L2561616A-6TG2S Synchronous DRAM
M12L2561616A-6TG2T 4M x 16 Bit x 4 Banks Synchronous DRAM
M12L2561616A-6TG2T 4M x 16 Bit x 4 Banks Synchronous DRAM
M12L2561616A-6TIAG2T 4M x 16 Bit x 4 Banks Synchronous DRAM
M12L2561616A-6TIG2T 4M x 16 Bit x 4 Banks Synchronous DRAM
M12L2561616A-5BG2S Synchronous DRAM

M12L2561616A-6BIAG2T Distributor

Datasheet4U Logo
Since 2006. D4U Semicon. About Datasheet4U Contact Us Privacy Policy Purchase of parts