MUR3060 Overview
Super Fast Rectifier MUR3040 MUR3060 MUR3040F MUR3060F.
MUR3060 Key Features
- Low cost
- Low leakage
- Low forward voltage drop
- High current capability
- Easily cleaned with Alcohol, Isopropanol and similar solvents
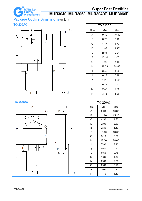
- Case: TO-220AC, ITO-220AC
- Molding pound, UL flammability classification rating



