Datasheet4U Logo Datasheet4U.com
Holtek Semiconductor logo

HT7K1201 Datasheet

Manufacturer: Holtek Semiconductor
HT7K1201 datasheet preview

HT7K1201 Details

Part number HT7K1201
Datasheet HT7K1201-HoltekSemiconductor.pdf
File Size 498.74 KB
Manufacturer Holtek Semiconductor
Description Peak Current 1.3A H-Bridge Driver
HT7K1201 page 2 HT7K1201 page 3

HT7K1201 Overview

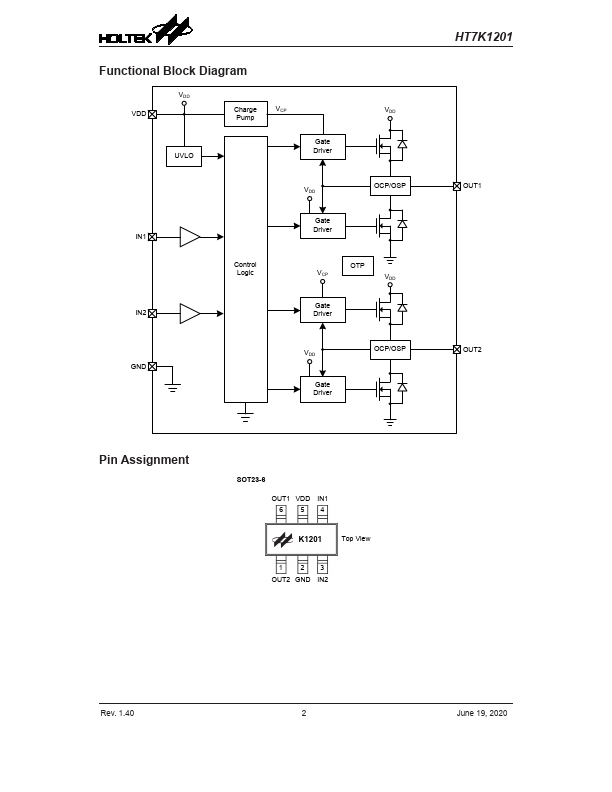
The HT7K1201 is a 1-channel H-bridge driver with a maximum motor peak current of 1.3A. Its outstanding low on-resistance characteristic results in excellent output efficiency which is a major advantage in battery powered systems. A simple two input control pin structure is used to provide four.

HT7K1201 Key Features

  • 1 Channel H-Bridge Motor Driver: Low MOSFET On-resistance: 0.5Ω (HS+LS)
  • Wide VDD Input Voltage Range of 1.8V to 6.0V
  • Maximum 1.3A Motor Peak Current
  • Four Operation Modes: Forward, Reverse, Brake
  • Low Sleep Current < 0.1μA
  • Up to 200kHz PWM Input Control Operation
  • Protection Features
  • VDD Under Voltage Lock-Out -- Over Current Protection -- Thermal Shutdown Protection -- Output Short Circuit Protection
  • Package Type: 6-pin SOT23-6
  • Operation Temperature Range: -40oC to +85oC

HT7K1201 Distributor

Holtek Semiconductor Datasheets

View all Holtek Semiconductor datasheets

Datasheet4U Logo
Since 2006. D4U Semicon. About Datasheet4U Contact Us Privacy Policy Purchase of parts