Datasheet4U Logo Datasheet4U.com

SN358 - Dual Operational Amplifier

General Description

The SN358/P consists of two independent high gain Internally frequency compensated operational amplifiers designed to operate from a single power supply over a wide range of voltage.

Key Features

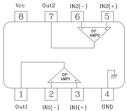
  • ◈ Input common mode voltage range includes ground ◈ Internally frequency compensated for unity gain ◈ Large DC voltage gain : 100dB ◈ Wide bandwidth for unity gain : 1 MHz ◈ Very low power consumption ◈ Wide supply voltage range : [ Single : 3V ~ 30V, Dual : ±1.5 ~ ±15V ] ① Device Code ② Year & Week Code October, 2010 REV. 01 KSD-I7F015-001 1 ◈ Internal Block Diagram SN358/P ◈ Pin.

📥 Download Datasheet

Datasheet Details

Part number SN358
Manufacturer KODENSHI KOREA
File Size 351.89 KB
Description Dual Operational Amplifier
Datasheet download datasheet SN358 Datasheet

Full PDF Text Transcription (Reference)

The following content is an automatically extracted verbatim text from the original manufacturer datasheet and is provided for reference purposes only.

View original datasheet text
Semiconductor http:// www.auk.co.kr SN358/PDual Operational Amplifier Description The SN358/P consists of two independent high gain Internally frequency compensated operational amplifiers designed to operate from a single power supply over a wide range of voltage. SOP-8 Application ◈ Transducer amplifier ◈ DC gain blocks ◈ Conventional operational amplifiers DIP-8 ORDERING INFORMATION Product SN358 SN358P Marking SN358 SN358P Package SOP-8 DIP-8 ▲ Marking Information SN358(①) AUK YYWW(②) Features and Benefits ◈ Input common mode voltage range includes ground ◈ Internally frequency compensated for unity gain ◈ Large DC voltage gain : 100dB ◈ Wide bandwidth for unity gain : 1 MHz ◈ Very low power consumption ◈ Wide supply voltage range : [ Single : 3V ~ 30V, Dual : ±1.