Datasheet Details
| Part number | SN358P |
|---|---|
| Manufacturer | KODENSHI KOREA |
| File Size | 351.89 KB |
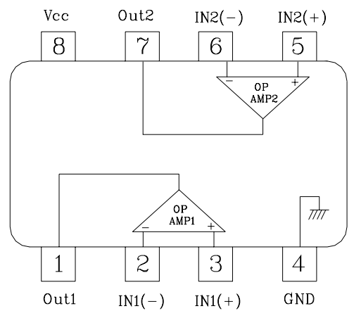
| Description | Dual Operational Amplifier |
| Datasheet |
|
| Note |
This datasheet PDF includes multiple part numbers: SN358P, SN358. Please refer to the document for exact specifications by model. |
|
|
|

