Datasheet4U Logo Datasheet4U.com
Micro Commercial Components logo

MCL9913F

Manufacturer: Micro Commercial Components

MCL9913F datasheet by Micro Commercial Components.

MCL9913F datasheet preview

MCL9913F Datasheet Details

Part number MCL9913F
Datasheet MCL9913F-MCC.pdf
File Size 358.72 KB
Manufacturer Micro Commercial Components
Description 500mA Low Drop-out Voltage Regulators
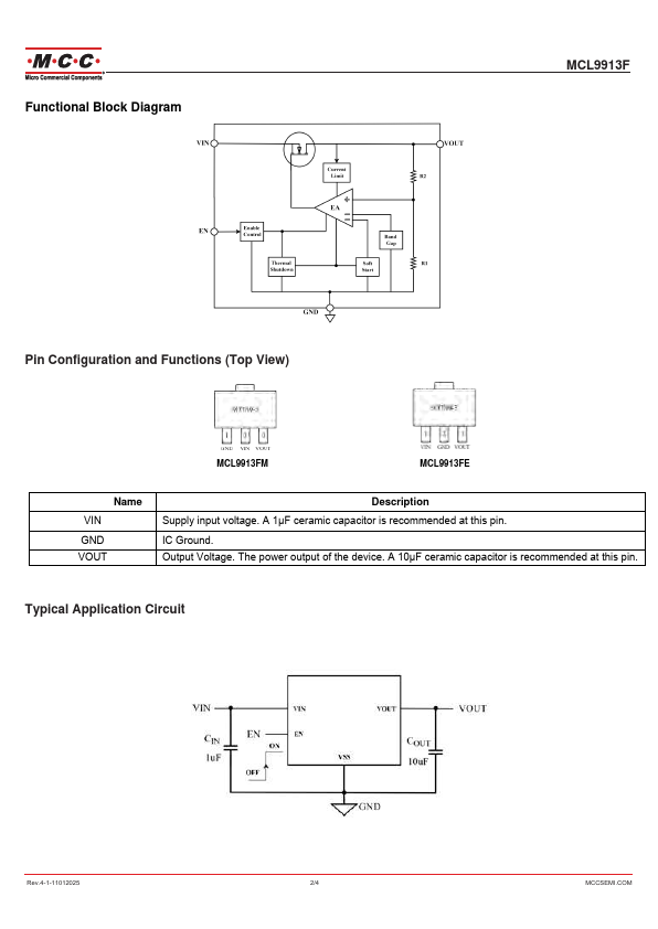
MCL9913F page 2 MCL9913F page 3

MCL9913F Overview

The MCL9913F is a 500mA low dropout linear voltage regulator with 2.5uA low quiescent current, operating input voltage up to 24V, and offering fixed output voltage ranges from 1.5V to 5.0V. Also, the device is designed for use in applications requiring high input voltage in the EN Pin to enable and disable the linear regulator. Integrating many functions the MCL9913F provides high power supply rejection, and owns...

MCL9913F Key Features

  • Output Current Up to 500mA
  • Low Dropout Voltage Typically 1V at 500mA Output Current Application
  • Low Quiescent Current:2.5uA
  • Operating Input Voltage Range: 3.0V to 24V
  • Fixed Output Voltage Options:1.5V to 5.0V
  • ±2% Initial Voltage Accuracy
  • Fast Transient Response Over Line and Load Transient
  • High PSRR: 90dB at 1KHz
  • Build Internal Soft-Start
  • Over Current Protection and Short-circuit Protection
Micro Commercial Components logo - Manufacturer

More Datasheets from Micro Commercial Components

View all Micro Commercial Components datasheets

Part Number Description
MCL9913K5 500mA Low Drop-out Voltage Regulators
MCL4448 500mW 100V Silicon Epitaxial Diode
MCL5221 500mW Zener Diode
MCL5222 500mW Zener Diode
MCL5223 500mW Zener Diode
MCL5224 500mW Zener Diode
MCL5225 500mW Zener Diode
MCL5226 500mW Zener Diode
MCL5227 500mW Zener Diode
MCL5228 500mW Zener Diode

MCL9913F Distributor

Datasheet4U Logo
Since 2006. D4U Semicon. About Datasheet4U Contact Us Privacy Policy Purchase of parts