2SB1119 Overview
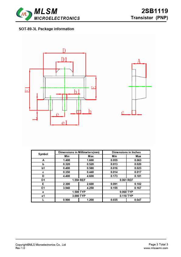
Features Small Flat Package LF Amplifier, Electronic Governor Applications 2SB1119 Transistor (PNP) X:Rank BB BC E Marking and pin assignment SOT-89-3L top view Schematic diagram Maximum Ratings (Ta=25℃ unless otherwise noted) Symbol VCBO VCEO VEBO IC PC RΘJA.
2SB1119 Key Features
- Small Flat Package
- LF Amplifier, Electronic Governor



