KTD1302 Overview
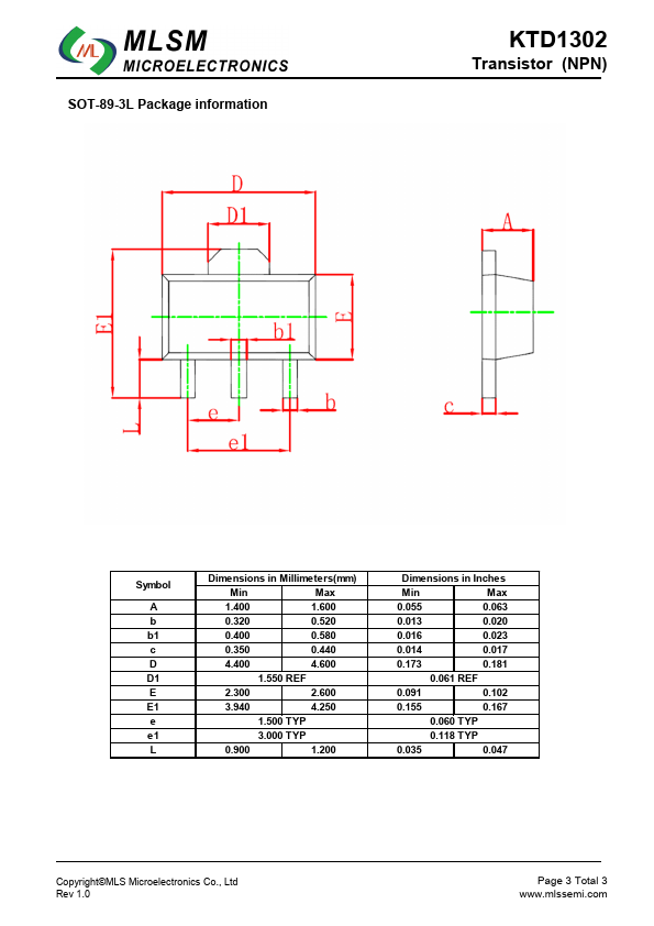
Features Small Flat Package Audio Muting Application High Emitter-Base Voltage KTD1302 Transistor (NPN) X:Rank 1302 BC E Marking and pin assignment SOT-89-3L top view Schematic diagram Maximum Ratings (Ta=25℃ unless otherwise noted) Symbol VCBO VCEO VEBO IC.
KTD1302 Key Features
- Small Flat Package
- Audio Muting Application
- High Emitter-Base Voltage

