Datasheet4U Logo Datasheet4U.com

PE12024G

Manufacturer: Productivity Engineering

PE12024G datasheet by Productivity Engineering.

PE12024G datasheet preview

PE12024G Datasheet Details

Part number PE12024G
Datasheet PE12024G_ProductivityEngineering.pdf
File Size 1.31 MB
Manufacturer Productivity Engineering
Description Incremental Encoder
PE12024G page 2 PE12024G page 3

PE12024G Overview

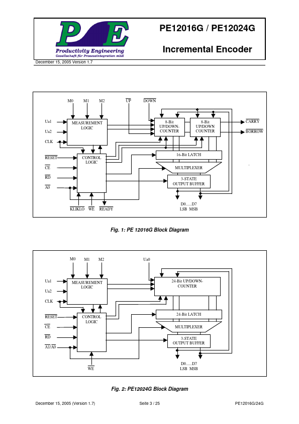
The PE12016G/12024G INCREMENTAL ENCODER INTERFACE can independently determine the direction or displacement of a mechanical device or axis based on two input signals from transducers in quadrature. Alternatively, it can measure a pulse width using a known clock rate, or a frequency, by counting input pulses over a known time interval. It includes one 16-bit or 24bit counter which may also be used separately...

PE12024G Key Features

  • Functional and pinpatible with obsolete TI CF32007NW/NT / THCT12016 / THCT 12024 / LS2000
  • 5 V and 3.3 V Operation
  • 0.6u CMOS Process
  • Direction discriminator
  • Pulse width measurement
  • Frequency measurement
  • Cascadable (PE12016G only)
  • TTL patible
  • 8 Bit parallel tristateable Bus
  • Simple read & write procedure

More Datasheets from Productivity Engineering

View all Productivity Engineering datasheets

Part Number Description
PE12016G Incremental Encoder

PE12024G Distributor

Datasheet4U Logo
Since 2006. D4U Semicon. About Datasheet4U Contact Us Privacy Policy Purchase of parts