Datasheet Details
| Part number | XL6005 |
|---|---|
| Manufacturer | XLSEMI |
| File Size | 411.25 KB |
| Description | 180KHz 60V 4A Switching Current Boost LED Constant Current Driver |
| Datasheet | XL6005-XLSEMI.pdf |
|
|
|
Overview: 180KHz 60V 4A Switching Current Boost LED Constant Current Driver.
| Part number | XL6005 |
|---|---|
| Manufacturer | XLSEMI |
| File Size | 411.25 KB |
| Description | 180KHz 60V 4A Switching Current Boost LED Constant Current Driver |
| Datasheet | XL6005-XLSEMI.pdf |
|
|
|
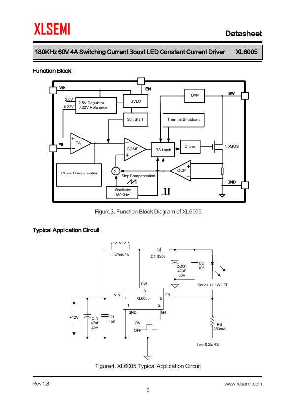
The XL6005 regulator is fixed frequency PWM Boost (step-up) LED constant current driver, capable of driving Series 1W/3W/5W LED units with excellent line and load regulation.
The regulator is simple to use because it includes internal frequency compensation and a fixed-frequency oscillator so that it requires a minimum number of external components to work.
The XL6005 could directly drive 11 Series 1W LED units at VIN>=12V .
| Part Number | Description |
|---|---|
| XL6001 | 400KHz 32V 2A Switching Current Boost LED Constant Current Driver |
| XL6002 | 2A 150kHz 40V Buck/Buck-Boost LED Constant Current Driver |
| XL6003 | 400KHz 60V 2A Switching Current Boost LED Constant Current Driver |
| XL6004 | 400KHz 60V 3A Switching Current Boost LED Constant Current Driver |
| XL6006 | 180KHz 60V 5A Switching Current Boost LED Constant Current Driver |
| XL6007 | 400KHz 60V 2A Switching Current Boost DC/DC Converter |
| XL6008 | 400KHz 60V 3A Switching Current Boost / Buck-Boost / Inverting DC/DC Converter |
| XL6009 | Boost / Buck-Boost / Inverting DC/DC Converter |
| XL6009E1 | Boost / Buck-Boost / Inverting DC/DC Converter |
| XL6012 | 180KHz 60V 6A Switching Current Boost DC/DC Converter |