Datasheet4U Logo Datasheet4U.com

AZ979 - 80 AMP AUTOMOTIVE RELAY

Description

Socket ORDER NUMBER ST980 MECHANICAL DATA Socket, SPST - ST980 .761 [19.33] .206 [5.23] .292 [7.43] 1.265 [32.13] .697 [17.72] 1.147 [29.12] .319 [8.12] .632 [16.05] .729 [18.53] .967 [24.56] Note: Recommended socket hardware: Coil Terminals: Contact Terminals: Amp 42281-1 (1/4") 14-18 Awg Amp

Features

  • 80 Amp contact rating.
  • “Super ISO” High momentary carry current (500 A) High operating temperature (85°C) SPST (1 Form A), SPDT (1 Form C), SPST N. C. ( Form B).
  • Quick connect terminals.
  • ISO/TS 16949, ISO14001.
  • Tested in accordance with SAEJ2544.

📥 Download Datasheet

Datasheet preview – AZ979

Datasheet Details

Part number AZ979
Manufacturer ZETTLER
File Size 155.49 KB
Description 80 AMP AUTOMOTIVE RELAY
Datasheet download datasheet AZ979 Datasheet
Additional preview pages of the AZ979 datasheet.
Other Datasheets by ZETTLER

Full PDF Text Transcription

Click to expand full text
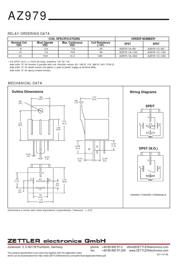
AZ979 80 AMP MINI-ISO AUTOMOTIVE RELAY FEATURES • • • • 80 Amp contact rating – “Super ISO” High momentary carry current (500 A) High operating temperature (85°C) SPST (1 Form A), SPDT (1 Form C), SPST N.C. ( Form B) • Quick connect terminals • ISO/TS 16949, ISO14001 • Tested in accordance with SAEJ2544 CONTACTS Arrangement Ratings SPST- N.O. (1 Form A), SPST - N.C. (1 Form B), SPDT (1 Form C) Resistive load: Max. switched power: 1120 W (SPST) Form A 840 W (N.O.) From C 840 W (N.C.) Form C, Form B Max. switched current: 80 A (SPST) Form A 60 A (N.O.) Form C 60 A (N.C.) Form C, Form B Max. switched voltage: 30 VDC GENERAL DATA Life Expectancy Mechanical Electrical Operate Time (typical) Release Time (typical) Minimum operations 1 x 107 1 x 105 at 80 A 14 VDC Res.
Published: |