Datasheet4U Logo Datasheet4U.com
ZETTLER Electronics logo

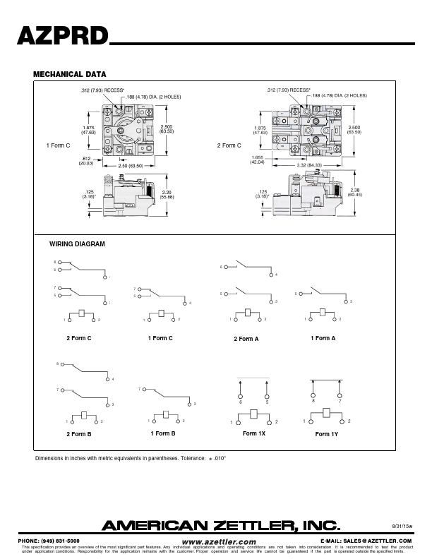
AZPRD

Manufacturer: ZETTLER Electronics

AZPRD datasheet by ZETTLER Electronics.

AZPRD datasheet preview

AZPRD Datasheet Details

Part number AZPRD
Datasheet AZPRD-Zettler.pdf
File Size 373.69 KB
Manufacturer ZETTLER Electronics
Description 50 AMP HEAVY DUTY POWER RELAY
AZPRD page 2 AZPRD page 3

AZPRD Overview

AZPRD 50 AMP HEAVY DUTY POWER RELAY.

AZPRD Key Features

  • SPST, DPST, SPDT, and DPDT versions available
  • AC and DC coils available
  • UL Class F (155°C) molded construction
  • PRD, PRDD and PRDE are UL and cUL Listed
  • PRDS, PRDQ, and PRDR are UL cUR Recognized
  • UL, CUL file E44211
  • DC Coil
  • AC Coil 50/60 Hz

AZP92 from other manufacturers

View AZP92 datasheet index

Brand Logo Part Number Description Other Manufacturers
Arizona Microtek AZP92 Clock Generation Chip Arizona Microtek
Arizona Microtek AZP94 Clock Generation Chip Arizona Microtek
Arizona Microtek AZP96 ECL/PECL Differential Receiver Arizona Microtek
ZETTLER Electronics logo - Manufacturer

More Datasheets from ZETTLER Electronics

View all ZETTLER Electronics datasheets

Part Number Description

AZPRD Distributor

Datasheet4U Logo
Since 2006. D4U Semicon. About Datasheet4U Contact Us Privacy Policy Purchase of parts