Datasheet Details
| Part number | SN74HC00 |
|---|---|
| Manufacturer | Texas Instruments |
| File Size | 1.34 MB |
| Description | Quadruple 2-Input Positive-NAND Gates |
| Datasheet | SN74HC00-etcTI.pdf |
|
|
|
Overview: SN74HC00, SN54HC00 SCLS181H – DECEMBER 1982 – REVISED AUGUST 2021 SNx4HC00 Quadruple 2-Input NAND Gates.
| Part number | SN74HC00 |
|---|---|
| Manufacturer | Texas Instruments |
| File Size | 1.34 MB |
| Description | Quadruple 2-Input Positive-NAND Gates |
| Datasheet | SN74HC00-etcTI.pdf |
|
|
|
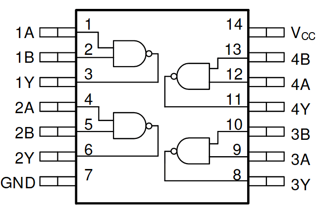
This device contains four independent 2-input NAND Gates.
Each gate performs the Boolean function Y = A ● B in positive logic.
Device Information PART NUMBER PACKAGE(1) BODY SIZE (NOM) SN74HC00D SOIC (14) 8.70 mm × 3.90 mm SN74HC00DB SSOP (14) 6.50 mm × 5.30 mm SN74HC00N PDIP (14) 19.30 mm × 6.40 mm SN74HC00NS SO (14) 10.20 mm × 5.30 mm SN74HC00PW TSSOP (14) 5.00 mm × 4.40 mm SN54HC00FK LCCC (20) 8.90 mm × 8.90 mm SN54HC00J CDIP (14) 21.30 mm × 7.60 mm SN54HC00W CFP (14) 9.20 mm × 6.29 mm (1) For all available packages, see the orderable addendum at the end of the data sheet.
| Part Number | Description |
|---|---|
| SN74HC00-Q1 | QUADRUPLE 2-INPUT POSITIVE-NAND GATE |
| SN74HC00D | Quadruple 2-Input Positive-NAND Gates |
| SN74HC00N | Quadruple 2-Input Positive-NAND Gates |
| SN74HC02 | Quadruple 2-Input Positive-NOR Gates |
| SN74HC02-EP | QUADRUPLE 2-INPUT POSITIVE-NOR GATE |
| SN74HC02-Q1 | QUADRUPLE 2-INPUT POSITIVE-NOR GATE |
| SN74HC02D | Quadruple 2-Input Positive-NOR Gates |
| SN74HC02N | Quadruple 2-Input Positive-NOR Gates |
| SN74HC03 | Quadruple 2-Input NAND Gates |
| SN74HC03D | Quadruple 2-Input NAND Gates |