Datasheet Details
| Part number | SN74HC00N |
|---|---|
| Manufacturer | Texas Instruments |
| File Size | 1.34 MB |
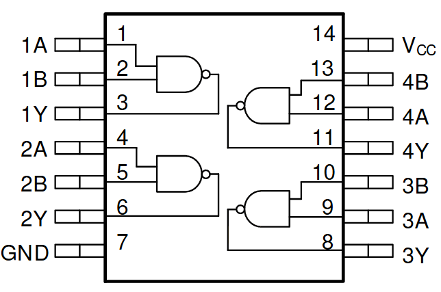
| Description | Quadruple 2-Input Positive-NAND Gates |
| Datasheet |
|
| Note |
This datasheet PDF includes multiple part numbers: SN74HC00N, SN74HC00. Please refer to the document for exact specifications by model. |
|
|
|

