Datasheet4U Logo Datasheet4U.com

ISL73847SLH Radiation Hardened Single/Dual Phase Current Mode PWM Controller

📥 Download Datasheet  Datasheet Preview Page 1

Description

ISL73847SLH Radiation Hardened Single/Dual Phase Current Mode PWM Controller Datasheet The ISL73847SLH is a synchronous buck controller that can ope.

📥 Download Datasheet

Preview of ISL73847SLH PDF
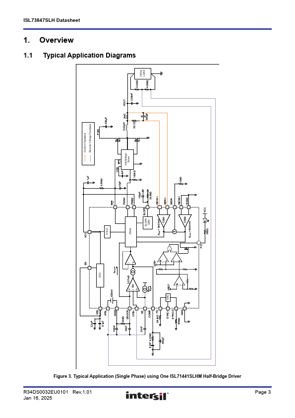
datasheet Preview Page 2 datasheet Preview Page 3

Datasheet Specifications

Part number
ISL73847SLH
Manufacturer
Intersil
File Size
2.07 MB
Datasheet
ISL73847SLH-Intersil.pdf
Description
Radiation Hardened Single/Dual Phase Current Mode PWM Controller

Applications

* It accepts an input voltage range of 4.5V to 19V with a programmable PWM output switching frequency between 250kHz and 1.5MHz with a single resistor. The output can regulate a voltage upwards of 600mV and is limited on the top end by the minimum off time and selected switching frequency. The wide i

ISL73847SLH Distributors

📁 Related Datasheet

📌 All Tags

Intersil ISL73847SLH-like datasheet