• Part: CYT1000A
  • Description: Dual-channel linear constant current LED control chip
  • Manufacturer: CYT
  • Size: 935.53 KB
Download CYT1000A Datasheet PDF
CYT1000A page 2
Page 2
CYT1000A page 3
Page 3

Datasheet Summary

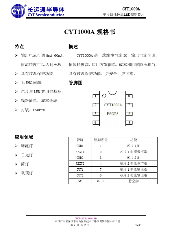
CYT1000A Dual-channel linear constant current LED control chip General Description CYT1000A is a linear constant current IC with adjustable output current, high constant-current accuracy, simple application scheme. Cost and Resistance capacitance step-down are parable, with over-temperature protection function, safer and more reliable. Electric Characteristics Unless otherwise stated, TA=25°C. Symbol Description Condition Min. Typ. Max. Unit VIN_OUT OUT input voltage IOUT=30mA - - VOUT_BV OUT withstand voltage IOUT=0mA - - IOUT Output current - 5 - 60 mA Quiescent current VOUT=10V,REXT floating - 0.08 0.16 mA VREXT REXT...
CYT1000A reference image

Representative CYT1000A image (package may vary by manufacturer)