BCX53 Overview
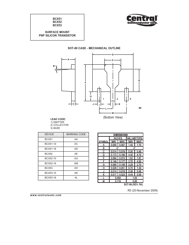
The CENTRAL SEMICONDUCTOR BCX51, BCX52, and BCX53 types are PNP Silicon Transistors manufactured by the epitaxial planar process, epoxy molded in a surface mount package, designed for high current general purpose amplifier applications. SOT-89 CASE MARKING CODE: SEE MARKING CODE TABLE ON FOLLOWING PAGE MAXIMUM RATINGS:.




