Datasheet4U Logo Datasheet4U.com

EC24C02A - 2K-bit 2-WIRE SERIAL CMOS EEPROM

General Description

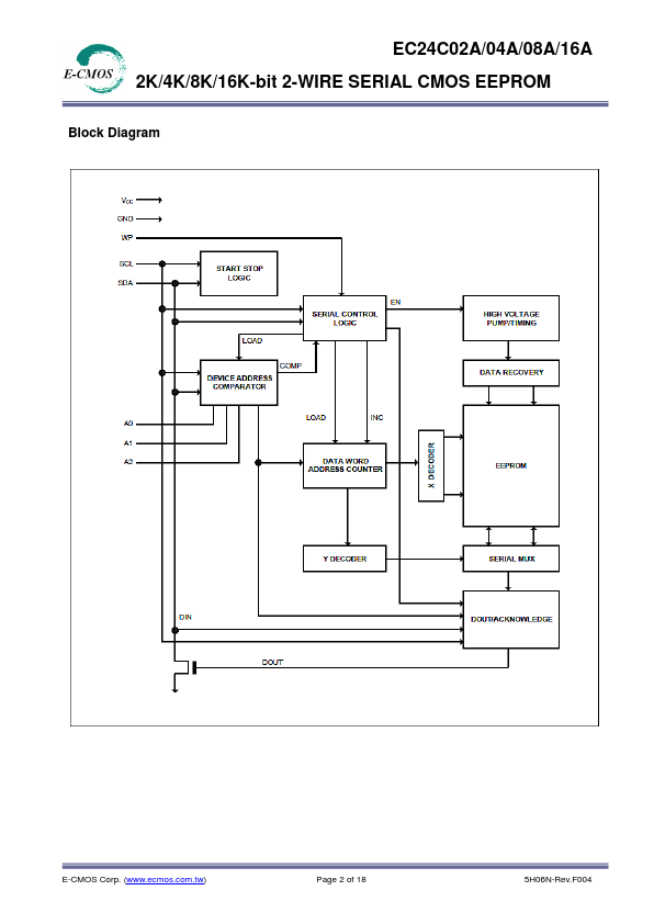
The EC24C02A/04A/08A/16A provides 2048/4096 /8192/16384 bits of serial electrically erasable and programmable read-only memory (EEPROM) organized as 256/512/1024/2048 words of 8 bits each.

Key Features

  • Wide Voltage Operation - VCC = 1.7V to 5.5V.
  • Operating Ambient Temperature: -40°C to +85°C.
  • Internally Organized: - EC24C02A, 256 X 8 (2K bits) - EC24C04A, 512 X 8 (4K bits) - EC24C08A, 1024 X 8 (8K bits) - EC24C16A, 2048 X 8 (16K bits).
  • Two-wire Serial Interface.
  • Schmitt Trigger, Filtered Inputs for Noise Suppression.
  • Bidirectional Data Transfer Protocol.
  • 1 MHz (5V), 400 kHz (1.7V, 2.5V, 2.7V) Compatibility.
  • Write Protect Pin for Hardware Data Protection.

📥 Download Datasheet

Datasheet Details

Part number EC24C02A
Manufacturer E-CMOS
File Size 464.65 KB
Description 2K-bit 2-WIRE SERIAL CMOS EEPROM
Datasheet download datasheet EC24C02A Datasheet

Full PDF Text Transcription (Reference)

The following content is an automatically extracted verbatim text from the original manufacturer datasheet and is provided for reference purposes only.

View original datasheet text
EC24C02A/04A/08A/16A 2K/4K/8K/16K-bit 2-WIRE SERIAL CMOS EEPROM Description The EC24C02A/04A/08A/16A provides 2048/4096 /8192/16384 bits of serial electrically erasable and programmable read-only memory (EEPROM) organized as 256/512/1024/2048 words of 8 bits each. The device is optimized for use in many industrial and commercial applications where low-power and low-voltage operation are essential. The EC24C02A/04A/08A/16A is available in space saving PDIP-8,SOP-8, TSSOP-8,MSOP8, DFN-8 and SOT23-5 packages and is accessed via a twowire serial interface. Pin Configuration SOP-8 (EC24C02A/04A/08A/16A) TSSOP-8 (EC24C02A/04A/08A/16A) Features  Wide Voltage Operation - VCC = 1.7V to 5.