Datasheet4U Logo Datasheet4U.com

EC24C128A - 128K-bit 2-WIRE SERIAL CMOS EEPROM

Key Features

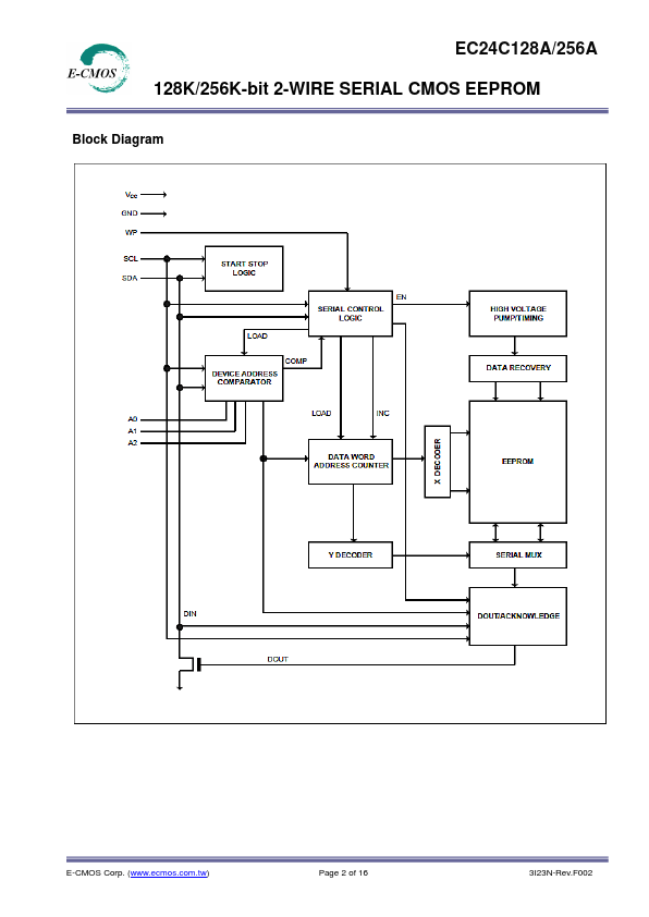
  • The EC24C128A/EC24C256A provides 131,072 /262,144 bits of serial electrically erasable and programmable read-only memory (EEPROM) organized as16,384/32,768 words of 8 bits each. The device is optimized for use in many industrial and commercial.

📥 Download Datasheet

Datasheet Details

Part number EC24C128A
Manufacturer E-CMOS
File Size 504.75 KB
Description 128K-bit 2-WIRE SERIAL CMOS EEPROM
Datasheet download datasheet EC24C128A Datasheet

Full PDF Text Transcription (Reference)

The following content is an automatically extracted verbatim text from the original manufacturer datasheet and is provided for reference purposes only.

View original datasheet text
EC24C128A/256A 128K/256K-bit 2-WIRE SERIAL CMOS EEPROM General Description Features The EC24C128A/EC24C256A provides 131,072 /262,144 bits of serial electrically erasable and programmable read-only memory (EEPROM) organized as16,384/32,768 words of 8 bits each. The device is optimized for use in many industrial and commercial applications where low-power and low-voltage operation are essential. The EC24C128A/EC24C256A is available in space-saving PDIP-8,SOP-8, MSOP-8 and TSSOP-8 packages and is accessed via a twowire serial interface.  Wide Voltage Operation - VCC = 1.7V to 5.