• Part: EC24C256A
  • Description: 256K-bit 2-WIRE SERIAL CMOS EEPROM
  • Category: EEPROM
  • Manufacturer: E-CMOS
  • Size: 504.75 KB
Download EC24C256A Datasheet PDF
E-CMOS
EC24C256A
EC24C256A is 256K-bit 2-WIRE SERIAL CMOS EEPROM manufactured by E-CMOS.
- Part of the EC24C128A comparator family.
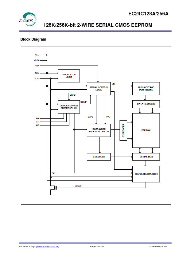
EC24C128A/256A 128K/256K-bit 2-WIRE SERIAL CMOS EEPROM General Description Features The EC24C128A/EC24C256A provides 131,072 /262,144 bits of serial electrically erasable and programmable read-only memory (EEPROM) organized as16,384/32,768 words of 8 bits each. The device is optimized for use in many industrial and mercial applications where low-power and low-voltage operation are essential. The EC24C128A/EC24C256A is available in space-saving PDIP-8,SOP-8, MSOP-8 and TSSOP-8 packages and is accessed via a twowire serial interface. - Wide Voltage Operation - VCC = 1.7V to 5.5V - Operating Ambient Temperature: -40°C to +85°C - Internally Organized: - EC24C128A, 16,384 X 8 (128K bits) - EC24C256A, 32,768 X 8 (256K bits) - Two-wire Serial Interface - Schmitt Trigger, Filtered Inputs for Noise Suppression - Bidirectional Data Transfer Protocol - 1MHz (5V), 400 KHz (1.7V, 2.5V, 2.7V) patibility - Write Protect Pin for Hardware Data Protection - 64-byte Page (128K, 256K) Write Modes - Partial Page Writes Allowed - Self-timed Write Cycle (5 ms max) - High-reliability - Endurance: 1 Million Write Cycles - Data Retention: 100 Years - PDIP-8 ,SOP-8,MSOP-8 and TSSOP-8 packages Pin Configuration SOP-8 MSOP-8 TSSOP-8 PDIP-8 Top-View Pin Name A0 - A2 SDA SCL WP GND...