Datasheet4U Logo Datasheet4U.com

EC24C64A - 64K-bit 2-WIRE SERIAL CMOS EEPROM

Download the EC24C64A datasheet PDF. This datasheet also covers the EC24C32A variant, as both devices belong to the same 64k-bit 2-wire serial cmos eeprom family and are provided as variant models within a single manufacturer datasheet.

General Description

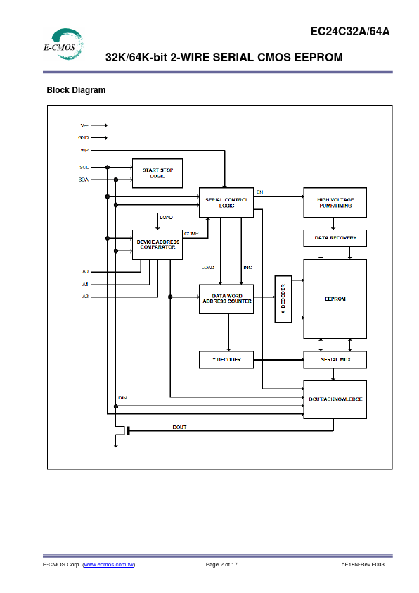
The EC24C32A/EC24C64A provides 32,768/65,536 bits of serial electrically erasable and programmable read-only memory (EEPROM) organized as 4096 /8192 words of 8 bits each.

Key Features

  • Wide Voltage Operation - VCC = 1.7V to 5.5V.
  • Operating Ambient Temperature: -40°C to +85°C.
  • Internally Organized: - EC24C32A, 4096 X 8 (32K bits) - EC24C64A, 8192 X 8 (64K bits).
  • Two-wire Serial Interface.
  • Schmitt Trigger, Filtered Inputs for Noise Suppression.
  • Bidirectional Data Transfer Protocol.
  • 1 MHz (5V), 400 kHz (1.7V, 2.5V, 2.7V) Compatibility.
  • Write Protect Pin for Hardware Data Protection.
  • 32-byte Page (32K, 64K) Write Modes.
  • Partial Pa.

📥 Download Datasheet

Note: The manufacturer provides a single datasheet file (EC24C32A-ECMOS.pdf) that lists specifications for multiple related part numbers.

Datasheet Details

Part number EC24C64A
Manufacturer E-CMOS
File Size 442.69 KB
Description 64K-bit 2-WIRE SERIAL CMOS EEPROM
Datasheet download datasheet EC24C64A Datasheet

Full PDF Text Transcription (Reference)

The following content is an automatically extracted verbatim text from the original manufacturer datasheet and is provided for reference purposes only.

View original datasheet text
EC24C32A/64A 32K/64K-bit 2-WIRE SERIAL CMOS EEPROM General Description The EC24C32A/EC24C64A provides 32,768/65,536 bits of serial electrically erasable and programmable read-only memory (EEPROM) organized as 4096 /8192 words of 8 bits each. The device is optimized for use in many industrial and commercial applications where low-power and low-voltage operation are essential. The EC24C32A/EC24C64A is available in space saving PDIP-8,SOP-8,TSSOP-8,MSOP-8 and DFN-8 (only EC24C32A) packages and is accessed via a two-wire serial interface. Features  Wide Voltage Operation - VCC = 1.7V to 5.