• Part: ML5206
  • Description: Cell Li-ion Rechargeable Battery Protection IC
  • Manufacturer: LAPIS
  • Size: 539.01 KB
Download ML5206 Datasheet PDF
LAPIS
ML5206
ML5206 is Cell Li-ion Rechargeable Battery Protection IC manufactured by LAPIS.
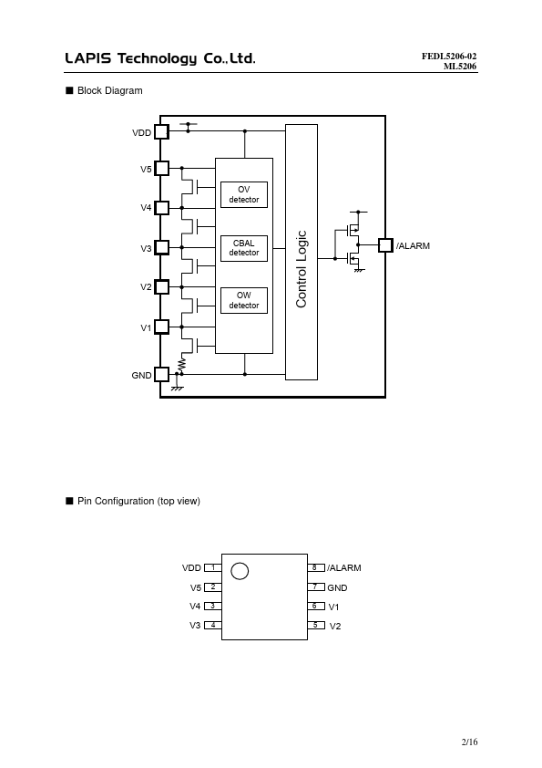
Description The ML5206 is a protection IC with cell balancing funcion for the 3- to 5-cell Li-ion rechargeable battery pack. It detects individual cell overvoltage and battery cell open-wire, and alerts by alarm output signal. And cell balancing function is built in and it is automatically executed. - Features - 3 to 5 cell high precision overvoltage detection function Overvoltage detection threshold VOV : 4.0V to 4.4V (5m V step), error: ±25m V (0°C to 60°C) Overvoltage release threshold VOVR : VOV - 0 to 200m V (10m V step) error: ±25m V to 35m V (0°C to 60°C) Overvoltage detection delay time : 0sec to 5.6 sec(typ) - Open-wire detection function Open-wire detection threshold Open-wire detection sink current Open-wire detection delay time : 0.6V(typ) : 100n A(typ) : 0sec to 5.6sec(typ) - Cell balancing function Cell balancing detection threshold VCB : 4.0V to 4.4V (5m V step), error: ±25m V (0°C to 60°C) Cell balancing relase threshold VCBR : VCB - 0 to 200m V (10m V step), error: ±25m V ot 35m V (0°C to 60°C) Cell balancing current : 40m A(typ) Cell balancing detection delay time : 0sec to 5.6sec(typ) - 3 types of alarm output Selected from CMOS / Nch open drain / Pch open drain - Setting number of connected battery cells : defined with part-number 5 cells = ML5206-001, 4 cells =ML5206-001A, 3 cells=ML5206-001B - Low current consumption 1A(typ), 2A(max) (0°C to 60°C) - Power supply voltage : +5V to +25V - Operating temperature : -20°C to +85°C - Package : 8 pin VSSOP - Application - Power tools and Garden tools - Cordless Cleaner - Part number ML5206-001MB 5 cells, Nch open drain output ML5206-001BMB 3 cells, Nch open drain output The detection voltage, etc., is the same for both 5 cells and 3 cells. - Block Diagram 2 VDD V5 V4 V3 V2 V1 OV detector CBAL detector OW detector Control Logic FEDL5206-02 ML5206 /ALARM - Pin Configuration (top view) VDD 1 V5 2 V4 3 V3 4 8 /ALARM 7 GND 6 V1 5...