PXT3904 Overview
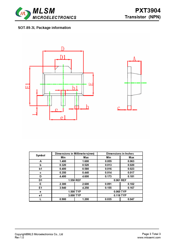
Features pliment to PXT3906 Low current Low voltage PXT3904 Transistor (NPN) X:Rank 1A BC E Marking and pin assignment SOT-89-3L top view Schematic diagram Maximum Ratings (Ta=25℃ unless otherwise noted) Symbol VCBO VCEO VEBO IC PC TJ,Tstg Parameter.
PXT3904 Key Features
- pliment to PXT3906
- Low current
- Low voltage
- 55~+150



