Datasheet4U Logo Datasheet4U.com

MP2888AGU - Multi-Phase PWM Controller

Download the MP2888AGU datasheet PDF. This datasheet also covers the MP2888A variant, as both devices belong to the same multi-phase pwm controller family and are provided as variant models within a single manufacturer datasheet.

General Description

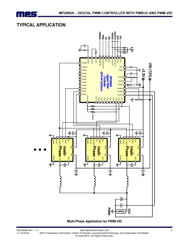
The MP2888A is a digital, multi-phase, pulsewidth modulation (PWM) controller with digital PWM-VID interface compatible with NVIDIA’s Open VReg specification.

Key Features

  • Programmable Multi-Phase up to 10 Phases.
  • PWM-VID Interface Compatible with NVIDIA Open VReg Specification.
  • PMBus/I2C Compliant (1MHz Bus Speed).
  • Pin Programmable for PMBus Address.
  • Built-In EEPROM to Store Custom Configurations.
  • Switching Frequency Range 200kHz to 5MHz.
  • Automatic Loop Compensation.
  • Fewer External Components than Conventional Analog Controller.
  • Best Transient Performance with Non- Linear Digital Control.
  • Flexible Phase Assignmen.

📥 Download Datasheet

Note: The manufacturer provides a single datasheet file (MP2888A-MPS.pdf) that lists specifications for multiple related part numbers.

Full PDF Text Transcription (Reference)

The following content is an automatically extracted verbatim text from the original manufacturer datasheet and is provided for reference purposes only.

View original datasheet text
The Future of Analog IC Technology DESCRIPTION The MP2888A is a digital, multi-phase, pulsewidth modulation (PWM) controller with digital PWM-VID interface compatible with NVIDIA’s Open VReg specification. The MP2888A can work with MPS’s Intelli-Phase products to complete the multi-phase voltage regulator (VR) solution with minimal external components. The MP2888A can be configured with up to 10phase operation. The MP2888A provides an on-chip EEPROM to store and restore device configurations. Device configurations and fault parameters can be easily programmed or monitored via the PMBus/I2C interface. The MP2888A can monitor and report the output current through the CS output from the Intelli-Phase products.