Datasheet Details
| Part number | SSD1332 |
|---|---|
| Manufacturer | Solomon |
| File Size | 563.11 KB |
| Description | OLED/PLED Segment/Common Driver |
| Datasheet | SSD1332-Solomon.pdf |
|
|
|
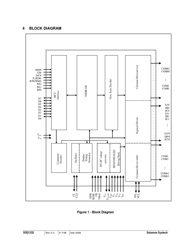
Overview: SOLOMON SYSTECH SEMICONDUCTOR TECHNICAL DATA SSD1332 Advance Information 96RGB x 64 Dot Matrix OLED/PLED Segment/Common Driver with Controller This document contains information on a new product. Specifications and information herein are subject to change without notice. http://www.solomon-systech.com SSD1332 Rev 2.3 P 1/56 Mar 2006 Copyright © 2006 Solomon Systech Limited TABLE OF CONTENTS 1 GENERAL INFORMATIOM........................................................................................................................
| Part number | SSD1332 |
|---|---|
| Manufacturer | Solomon |
| File Size | 563.11 KB |
| Description | OLED/PLED Segment/Common Driver |
| Datasheet | SSD1332-Solomon.pdf |
|
|
|
......................................................................................................................................13 BS0, BS1, BS2.........................................................................................................................................................13 CS# ..........................................................................................................................................................................13 RES#........................................................................................................................................................................13 D/C ..........................................................................................................................................................................13 R/W(WR#) .............
| Part Number | Description |
|---|---|
| SSD1303 | 132 x 64 Dot Matrix OLED/PLED Segment/Common Driver |
| SSD1327 | OLED/PLED Segment/Common Driver |
| SSD1353 | OLED/PLED Segment/Common Driver |
| SSD1360 | OLED/PLED Segment/Common Driver |
| SSD1730 | SSD1730 MLA Power Chip CMOS |
| SSD1961 | 675KB Embedded Display SRAM LCD Display Controller |
| SSD1963 | 1215KB Embedded Display SRAM LCD Display Controller |
| SSD2805 | MIPI Master Bridge |
| SSD2825G44 | MIPI Master Bridge |
| SSD2828 | MIPI Master Bridge |