Datasheet Details
| Part number | SSD1331 |
|---|---|
| Manufacturer | Solomon Systech |
| File Size | 1.16 MB |
| Description | 96RGB x 64 Dot Matrix OLED/PLED Segment/Common Driver |
| Datasheet | SSD1331-SolomonSystech.pdf |
|
|
|
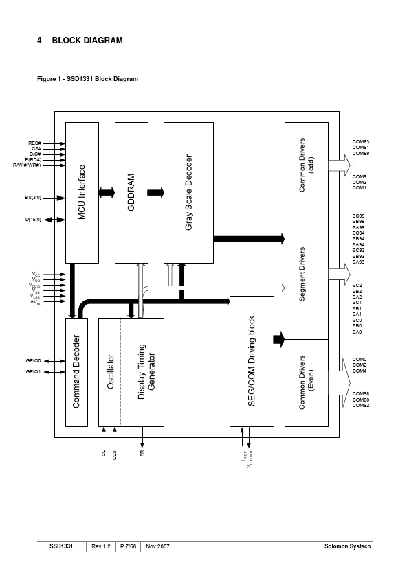
Overview: SOLOMON SYSTECH SEMICONDUCTOR TECHNICAL DATA SSD1331 Advance Information 96RGB x 64 Dot Matrix OLED/PLED Segment/Common Driver with Controller This document contains information on a new product. Specifications and information herein are subject to change without notice. http://www.solomon-systech.com SSD1331 Rev 1.2 P 1/68 Nov 2007 Copyright © 2007 Solomon Systech Limited http://www.Datasheet4U.com CONTENTS CONTENTS ....................................................................................................................... ..................................2 1 2 3 4 5 6 7 GERENAL INFORMATION ............................................................................................................ .........
| Part number | SSD1331 |
|---|---|
| Manufacturer | Solomon Systech |
| File Size | 1.16 MB |
| Description | 96RGB x 64 Dot Matrix OLED/PLED Segment/Common Driver |
| Datasheet | SSD1331-SolomonSystech.pdf |
|
|
|
................................................................................................................
................
12 FUNCTIONAL BLOCK DESCRIPTIONS ..............................................................................................15 7.1 MCU INTERFACE SELECTION .................................................................................................................15 7.1.1 6800-series Parallel Interface .................................................................................................
Compare SSD1331 distributor prices and check real-time stock availability from major suppliers. Prices and inventory may vary by region and order quantity.
| Part Number | Description |
|---|---|
| SSD1333 | OLED/PLED Segment/Common Driver |
| SSD1339 | 132RGB x 132 with 2 smart Icon lines Dot Matrix OLED/PLED Segment/Common Driver |
| SSD1301 | OLED/PLED segment / common driver |
| SSD1305 | OLED/PLED Segment/Common Driver |
| SSD1306 | 128 x 64 Dot Matrix OLED/PLED Segment/Common Driver |
| SSD1306B | OLED/PLED Segment/Common Driver |
| SSD1307 | 128 x 39 Dot Matrix OLED/PLED Segment/Common Driver |
| SSD1308 | 128 x 64 Dot Matrix OLED/PLED Segment/Common Driver |
| SSD1309 | OLED/PLED Segment/Common Driver |
| SSD1311 | OLED/PLED Segment/Common Driver |