Datasheet4U Logo Datasheet4U.com

XC6205 - 300mA/150mA High Speed LDO Regulators

General Description

The XC6204/XC6205 series are highly precise, low noise, positive voltage LDO regulators manufactured using CMOS processes.

Key Features

  • Maximum Output Current : 150mA 300mA(XC6204 E to H type) Dropout Voltage : 200mV @ 100mA 60mV @ 30mA Operating Voltage : 2V ~ 10V Output Voltage Range : 1.8V ~ 6.0V (XC6204) 0.9V ~ 1.75V (XC6205) Highly Accurate : ±2%, ±1% Low Power Consumption : 70μA (TYP. ) Standby Current : 0.1μA (MAX. ) High Ripple Rejection : 70dB@10kHz (XC6204) 60dB@10kHz (XC6205) Low ESR Capacitor Compatible : Ceramic capacitor Operating Ambient Temperature : -40℃~ 85℃ Packages : SOT-25, SOT-89-5, USP-6B.

📥 Download Datasheet

Full PDF Text Transcription (Reference)

The following content is an automatically extracted verbatim text from the original manufacturer datasheet and is provided for reference purposes only.

View original datasheet text
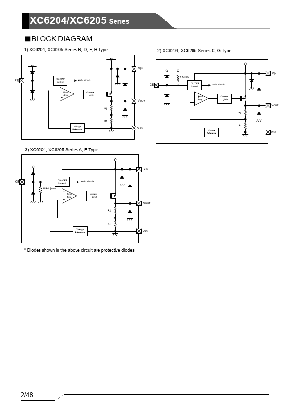
XC6204/XC6205 Series 300mA/150mA High Speed LDO Regulators with ON-OFF Control ETR03004-011c ■GENERAL DESCRIPTION The XC6204/XC6205 series are highly precise, low noise, positive voltage LDO regulators manufactured using CMOS processes. The series achieves high ripple rejection and low dropout and consists of a standard voltage source, an error correction, current limiter and a phase compensation circuit plus a driver transistor. Output voltage is selectable in 0.05V steps within a range of 0.9V ~ 6.0V. The series is also compatible with low ESR ceramic capacitors which give added output stability. This stability can be maintained even during load fluctuations due to the excellent transient response of the series.