• Part: XCL240
  • Description: 1.0A Inductor Built-in Step-Down micro DC/DC Converters
  • Manufacturer: Torex Semiconductor
  • Size: 1.57 MB
Download XCL240 Datasheet PDF
XCL240 page 2
Page 2
XCL240 page 3
Page 3

Datasheet Summary

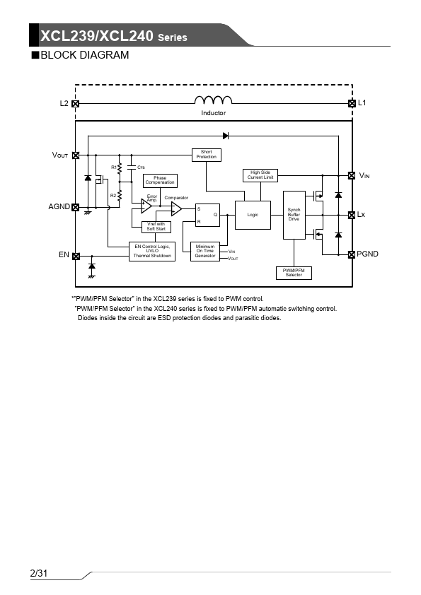
XCL239/XCL240 Series ETR28026-002a HiSAT-COT® Control 1.0A Inductor Built-in Step-Down “micro DC/DC” Converters ☆Green Operation patible - GENERAL DESCRIPTION The XCL239/XCL240 series is a synchronous step-down micro DC/DC converter which integrates an inductor and a control IC in one tiny package (2.5mmx2.0mm, h=1.04mm). An internal coil simplifies the circuit and enables minimization of noise and other operational trouble due to the circuit wiring. The Output voltage is internally set in a range from 0.8V to 3.6V increments of 0.05V. HiSAT-COT is a proprietary high-speed transient response technology for DC/DC converter which minimized output voltage during load fluctuations. It is...