• Part: XCL244
  • Description: 700mA Inductor Built-in Step-Down micro DC/DC Converters
  • Manufacturer: Torex Semiconductor
  • Size: 1.40 MB
Download XCL244 Datasheet PDF
XCL244 page 2
Page 2
XCL244 page 3
Page 3

Datasheet Summary

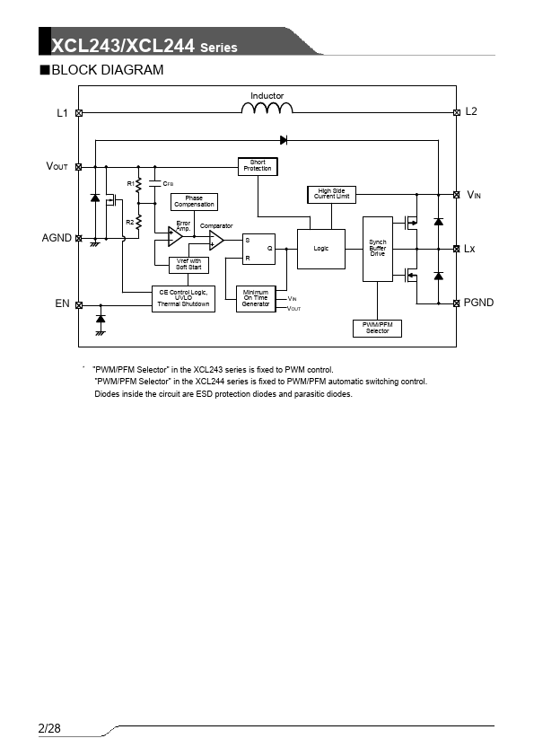
XCL243/XCL244 Series ETR28028-002a HiSAT-COT ® Control 700mA Inductor Built-in Step-Down “micro DC/DC” Converters - GENERAL DESCRIPTION ☆Green Operation patible The XCL243/XCL244 series is a synchronous step-down micro DC/DC converter which integrates an inductor and a control IC in one tiny package (2.25mmx1.5mm, h=0.75mm). An internal coil simplifies the circuit and enables minimization of noise and other operational trouble due to the circuit wiring. The Output voltage is internally set in a range from 0.8V to 3.6V increments of 0.05V. HiSAT-COT is a proprietary high-speed transient response technology for DC/DC converter which was minimized output voltage during load...