• Part: XL1195
  • Description: HBS-Compatible Driver and Receiver Monolithic IC
  • Manufacturer: XLSEMI
  • Size: 232.79 KB
XL1195 Datasheet (PDF) Download
XLSEMI
XL1195

Overview

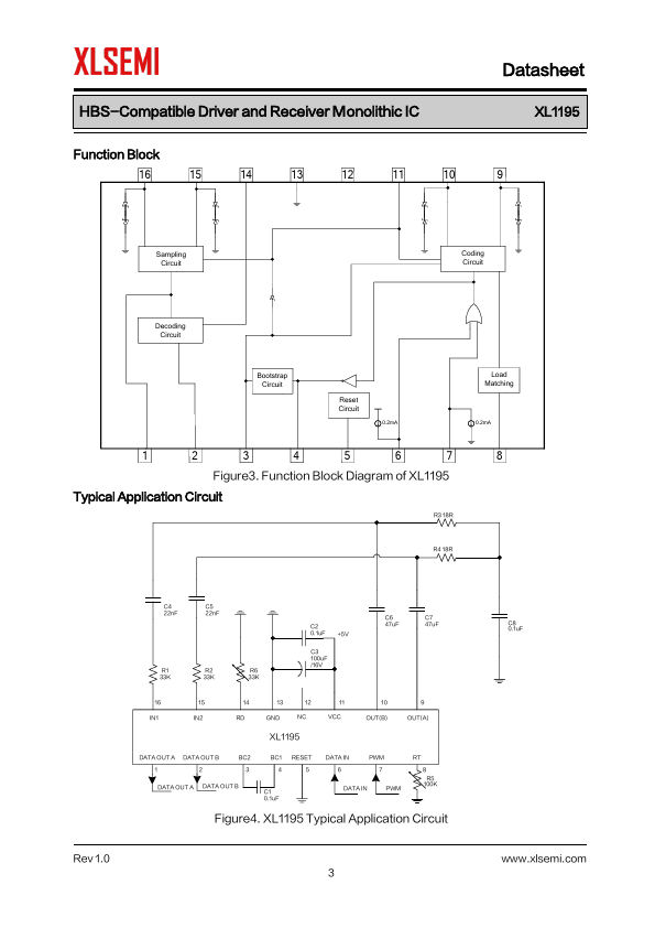
The XL1195 conforms to the HBS(Home Bus) specification, built in dynamic impedance matching function, decoding error correction function, decoding signal correction function, adjusting load balancing time, and has functions for the reception and transmission of data. AMI is adopted for the waveforms of signals handled by the transmission and reception units, designed for connection to twisted-pair lines.

  • Built in dynamic impedance matching function
  • Built in decoding error correction function
  • Built in decoding signal correction function
  • Built in hardware codec
  • Enhanced anti-interference ability
  • Support multiple network topologies
  • Support adjusting load balancing time
  • Simple circuit design
  • High reliability
  • Communication speed adaptation from