Datasheet4U Logo Datasheet4U.com

74HC595D - high-speed Silicon Gate CMOS device

Datasheet Summary

Description

The 74HC595D is a high-speed Silicon Gate CMOS device, with pin compatibility with Low-Power Schottky TTL circuits(LSTTL).

It complies with JEDEC standard no.7A.

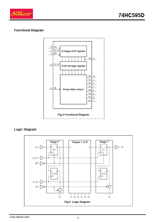
The 74HC595D consists of an 8-stage serial shift register with a storage register and tri-state outputs.

Features

  • 8-bit serial input.
  • 8-bit serial or parallel output.
  • Tri-state output register.
  • Shift register with direct clear.
  • Shift output frequency of 100MHz (typical).
  • ESD protection function.

📥 Download Datasheet

Datasheet preview – 74HC595D

Datasheet Details

Part number 74HC595D
Manufacturer Slkor
File Size 509.66 KB
Description high-speed Silicon Gate CMOS device
Datasheet download datasheet 74HC595D Datasheet
Additional preview pages of the 74HC595D datasheet.
Other Datasheets by Slkor

Full PDF Text Transcription

Click to expand full text
74HC595D Features ● 8-bit serial input ● 8-bit serial or parallel output ● Tri-state output register ● Shift register with direct clear ● Shift output frequency of 100MHz (typical) ● ESD protection function Applications ● Serial-to-parallel conversion ● Remote control memory retention device Description  The 74HC595D is a high-speed Silicon Gate CMOS device, with pin compatibility with Low-Power Schottky TTL circuits(LSTTL). It complies with JEDEC standard no.7A. The 74HC595D consists of an 8-stage serial shift register with a storage register and tri-state outputs. Theshift register and the storage register each have separate clocks.
Published: |