Datasheet4U Logo Datasheet4U.com
NEC (now Renesas Electronics) logo

NE5500179A

Manufacturer: NEC (now Renesas Electronics)

NE5500179A datasheet by NEC (now Renesas Electronics).

NE5500179A datasheet preview

NE5500179A Datasheet Details

Part number NE5500179A
Datasheet NE5500179A-NEC.pdf
File Size 40.73 KB
Manufacturer NEC (now Renesas Electronics)
Description OPERATION SILICON RF POWER MOSFET
NE5500179A page 2 NE5500179A page 3

NE5500179A Overview

The NE5500179A is an N-Channel silicon power MOSFET specially designed as the transmission power amplifier for 4.8 V GSM1800 and GSM1900 handsets. Dies are manufactured using NEC's NEWMOS technology (NEC's 0.6 µm WSi gate lateral MOSFET) and housed in a surface mount package. This device can deliver 29.5 dBm output power with 55% power added efficiency at 1.9 GHz under the 4.8 V supply voltage, or can deliver 27 dBm...

NE5500179A Key Features

  • HIGH OUTPUT POWER: 29.5 dBm TYP at VDS = 4.8 V, IDQ = 100 mA, f = 1.9 GHz, PIN = 20 dBm
  • HIGH POWER ADDED EFFICIENCY: 55% TYP at VDS = 4.8 V, IDQ = 100 mA, f = 1.9 GHz, PIN = 20 dBm
  • HIGH LINEAR GAIN: 14 dB TYP at VDS = 4.8 V, IDQ = 100 mA, f = 1.9 GHz, PIN = 0 dBm
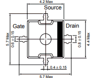
  • SURFACE MOUNT PACKAGE: 5.7 x 5.7 x 1.1 mm MAX
  • SINGLE SUPPLY: 3.0 to 6.0 V
NEC (now Renesas Electronics) logo - Manufacturer

More Datasheets from NEC (now Renesas Electronics)

View all NEC (now Renesas Electronics) datasheets

Part Number Description
NE5510179A 3.5V OPERATION SILICON RF POWER MOSFET
NE5510279A 4.8V OPERATION SILICON RF POWER LDMOS FET
NE5511279A 7.5V OPERATION SILICON RF POWER LD-MOS FET
NE5520279A NECS 3.2 V / 2 W / L&S BAND MEDIUM POWER SILICON LD-MOSFET
NE5520279A-T1 NECS 3.2 V / 2 W / L&S BAND MEDIUM POWER SILICON LD-MOSFET
NE5520379A 3.2V Operation Silicon RF Power LDMOS FET
NE52118 L to S BAND LOW NOISE AMPLIFIER NPN GaAs HBT
NE52118-T1 L to S BAND LOW NOISE AMPLIFIER NPN GaAs HBT
NE56900 NPN MEDIUM POWER MICROWAVE TRANSISTOR
NE56953E NPN MEDIUM POWER MICROWAVE TRANSISTOR

NE5500179A Distributor

Datasheet4U Logo
Since 2006. D4U Semicon. About Datasheet4U Contact Us Privacy Policy Purchase of parts