Datasheet Details
| Part number | SSD1322 |
|---|---|
| Manufacturer | SOLOMON SYSTECH |
| File Size | 1.06 MB |
| Description | Dot Matrix High Power OLED/PLED Segment/Common Driver |
| Datasheet | SSD1322_SOLOMONSYSTECH.pdf |
|
|
|
Overview: SOLOMON SYSTECH SEMICONDUCTOR TECHNICAL DATA SSD1322 Advance Information 480 x 128, Dot Matrix High Power OLED/PLED Segment/Common Driver with Controller This document contains information on a new product. Specifications and information herein are subject to change without notice. http://www.solomon-systech.com SSD1322 Rev 1.2 P 1/60 Jul 2010 Copyright © 2010 Solomon Systech Limited Version 1.0 1.1 1.2 Appendix: IC Revision history of SSD1322 Specification Change Items Effective Date 1. Changed to Advance Information 23-Jul-08 2. Revised the typo errors on commands BBh and BEh (Section 9) 3. Amended the default OSCFREQ[3:0] of command B3h from 1100b to 0101b (Section 9) 4. Updated the DC Characteristics table (Section 12) 5. Updated the AC Characteristics table (Section 13) 6. Revise Table 13-5 & Figure 13-4 (3 wire SPI) 1. Updated the ordering P/N from SSD1322Z to SSD1322Z2 (P.7) and corresponding information (Section 5) 2. Updated the application examples (P.55, 56) 3. Added SSD1322Z2 die tray information (Section 15.2) 1. Revise typo in Section 3 : No. of SPH from 4 to 5 (P.7) 2. Revise die thickness tolerance from ±25um to ±15um on Table 3-1 (P.7) & Fig 5-1(P.9) 3. Added +/- 0.05mm tolerance for Die Size (after sawing) and revise bump size typo in Section 5 ( P.9 ) 4. Update Table 3-2: SSD1322Z2 Bump Die Pad Coordinates (p.10) 5. Update Power On sequence (P.30) 6. Updated P/N from SSD1322Z to SSD1322Z2 in Fig 10-6 &10-7 (P.41) 7.
| Part number | SSD1322 |
|---|---|
| Manufacturer | SOLOMON SYSTECH |
| File Size | 1.06 MB |
| Description | Dot Matrix High Power OLED/PLED Segment/Common Driver |
| Datasheet | SSD1322_SOLOMONSYSTECH.pdf |
|
|
|
of command ABh (P.45) 8.
Add alignment mark detail of SSD1322UR1 in Fig 15-1 (P.57) 9.
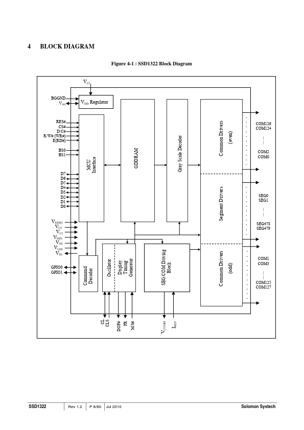
Revised declaimer (P.60) 10-Sep-08 13-Jul-10 SSD1322 Rev 1.2 P 2/60 Jul 2010 Solomon Systech CONTENTS 1 GENERAL DESCRIPTION ..................................................................................................
| Part Number | Description |
|---|---|
| SSD1325 | OLED/PLED Segment/Common Driver |
| SSD1326 | OLED/PLED Segment/Common Driver |
| SSD1329 | OLED Segment / Common Driver |
| SSD1301 | OLED/PLED segment / common driver |
| SSD1305 | OLED/PLED Segment/Common Driver |
| SSD1306 | 128 x 64 Dot Matrix OLED/PLED Segment/Common Driver |
| SSD1306B | OLED/PLED Segment/Common Driver |
| SSD1307 | 128 x 39 Dot Matrix OLED/PLED Segment/Common Driver |
| SSD1308 | 128 x 64 Dot Matrix OLED/PLED Segment/Common Driver |
| SSD1309 | OLED/PLED Segment/Common Driver |