• Part: SSD1326
  • Description: OLED/PLED Segment/Common Driver
  • Manufacturer: Solomon Systech
  • Size: 623.09 KB
Download SSD1326 Datasheet PDF
Solomon Systech
SSD1326
SSD1326 is OLED/PLED Segment/Common Driver manufactured by Solomon Systech.
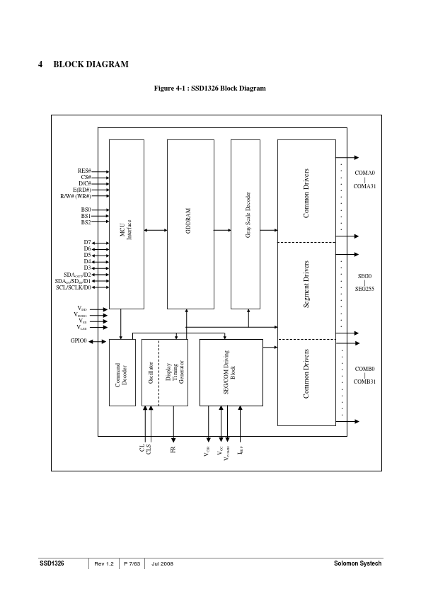
SOLOMON SYSTECH SEMICONDUCTOR TECHNICAL DATA Advance Information 256x32, 16 Gray Scale Dot Matrix OLED/PLED Segment/mon Driver with Controller CMOS This document contains information on a new product. Specifications and information herein are subject to change without notice. http://.solomon-systech. Rev 1.2 P 1/63 Jul 2008 Copyright © 2008 Solomon Systech Limited 1 GENERAL DESCRIPTION SSD1326 is a single-chip CMOS OLED/PLED driver with controller for 16 gray scale levels organic / polymer light emitting diode dot-matrix graphic display system. SSD1326 consists of 256 segments, 32 mons. This IC is designed for mon Cathode type OLED / PLED panel. SSD1326 displays data directly from its internal 256 x 32 x 4 bits Graphic Data RAM (GDDRAM). Data/mands are sent from general MCU through the hardware selectable I2C Interface, 6800-/8080series patible Parallel Interface or Serial Peripheral Interface. 2 Features - Support max. 256 x 32 matrix panel - Power supply: VDD = 2.4V -3.5V VDDIO = 1.7V - VDD VCC = 9.0V - 15.0V - OLED driving output voltage, 15V maximum - Maximum segment source current: 100u A - Dual mon maximum sink current: 25m A - Embedded 256 x 32 x 4 bit SRAM display buffer - 256 steps contrast current control - Selectable to either 16 gray scale or mono display - Internal oscillator - Programmable frame rate - Continuous horizontal scrolling with flexible scrolling window - Pin selectable MCU interface o I2C interface o 8-bit 6800-series parallel interface o 8-bit 8080-series parallel interface o Serial Peripheral Interface - Wide range of operating temperature: -40 to 85 °C 3 ORDERING INFORMATION Table 3-1: Ordering...