• Part: SSD1329
  • Description: OLED Segment / Common Driver
  • Manufacturer: Solomon Systech
  • Size: 531.82 KB
Download SSD1329 Datasheet PDF
Solomon Systech
SSD1329
SSD1329 is OLED Segment / Common Driver manufactured by Solomon Systech.
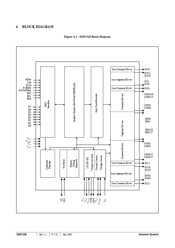
SOLOMON SYSTECH SEMICONDUCTOR TECHNICAL DATA Advance Information 128 x 128 OLED Segment / mon Driver with Controller Equips with 16 Gray Scale Levels and 64 Hard Icon Lines This document contains information on a new product. Specifications and information herein are subject to change without notice. Rev 1.1 P 1/58 Dec 2005 Copyright © 2005 Solomon Systech Limited 1 GENERAL DESCRIPTION SSD1329 is a single-chip CMOS OLED/PLED driver with controller for 16 gray scale levels organic / polymer light emitting diode dot-matrix graphic display system. SSD1329 consists of 128 segments, 128 mons and 64 hard icons. This IC is designed for mon Cathode type OLED / PLED panel. SSD1329 displays data directly from its internal 128 x 128 x 4 bits Graphic Data RAM (GDDRAM). Data/mands are sent from general MCU through the hardware selectable 6800/8000 series patible Parallel Interface or Serial Peripheral Interface. 2 Features - Support max. 128 x 128 matrix panel - Support 64 hard icons, 2 icon rows with 2 pins for each row - Power supply:VDD = 2.4 ~ 3.5V VCI = 3.2 ~ 4.2V VDDIO = 1.7V ~ 3.5V (must be smaller than or equal to VDD) VCC = 9.0V ~ 18.0V - For matrix display: o OLED driving output voltage, 16V maximum o Can output maximum segment source current: 350u A o mon maximum sink current: 40m A o mon Ron resistance: 20Ω - For hard icons: o Segment maximum source current: 127.5u A o 128 steps current control - DC-DC 2X voltage converter for hard icons - Embedded 128 x 128 x 4 bit SRAM display buffer - 256 steps contrast current control - Internal oscillator - Programmable frame rate - 8-bit 6800-series Parallel Interface, 8080-series Parallel Interface and Serial Peripheral Interface. - Wide range of operating temperature: -40 to 85 °C 3 ORDERING INFORMATION Ordering Part Number SSD1329Z 128 SSD1329U1 128 128 128 Table 3-1 : Ordering...