• Part: SSD1325
  • Description: OLED/PLED Segment/Common Driver
  • Manufacturer: Solomon Systech
  • Size: 601.93 KB
Download SSD1325 Datasheet PDF
Solomon Systech
SSD1325
SSD1325 is OLED/PLED Segment/Common Driver manufactured by Solomon Systech.
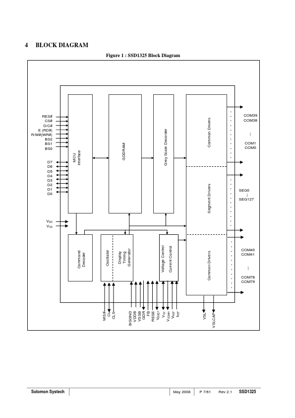
SOLOMON SYSTECH SEMICONDUCTOR TECHNICAL DATA Advance Information 128 x 80, 16 Gray Scale Dot Matrix OLED/PLED Segment/mon Driver with Controller This document contains information on a new product. Specifications and information herein are subject to change without notice. Rev 2.1 P 1/61 May 2008 Copyright © 2008 Solomon Systech Limited 1 GENERAL DESCRIPTION SSD1325 is a single-chip CMOS OLED/PLED driver with controller for organic/polymer light emitting diode dot-matrix graphic display system. It consists of 208 high voltage/current driving output pins for driving 128 segments and 80 mons. This IC is designed for mon Cathode type OLED/PLED panel. SSD1325 displays data directly from its internal 128x80x4 bits Graphic Display Data RAM (GDDRAM). Data/mands are sent from general MCU through the hardware selectable 6800-/8080-series patible Parallel Interface or Serial Peripheral Interface. It has a 128-step contrast control and a 16 gray level control. The embedded on-chip oscillator and DCDC voltage converter reduce the number of external ponents. 2 Features - Support max. 128 x 80 matrix panel - Power supply: VDD =2.4V - 3.5V VCC =8.0V - 16.0V - For matrix display: o OLED driving output voltage, 14V maximum o Can output maximum segment source current: 300u A o mon maximum sink current: 40m A - Embedded 128 x 80 x 4 bit SRAM display memory - 128 step contrast current control on monochrome passive OLED panel - 16 gray scale - Internal Oscillator - Programmable Frame Rate - 8-bit 6800-series Parallel Interface, 8080-series Parallel Interface, Serial Peripheral Interface. - Row re-mapping and Column re-mapping - Low power consumption (<5.0u A @sleep mode) - Wide range of operating temperature: -40 to 85 °C 3 ORDERING INFORMATION Ordering Part Number Table 1 : Ordering...